GM Service Manual Online
For 1990-2009 cars only

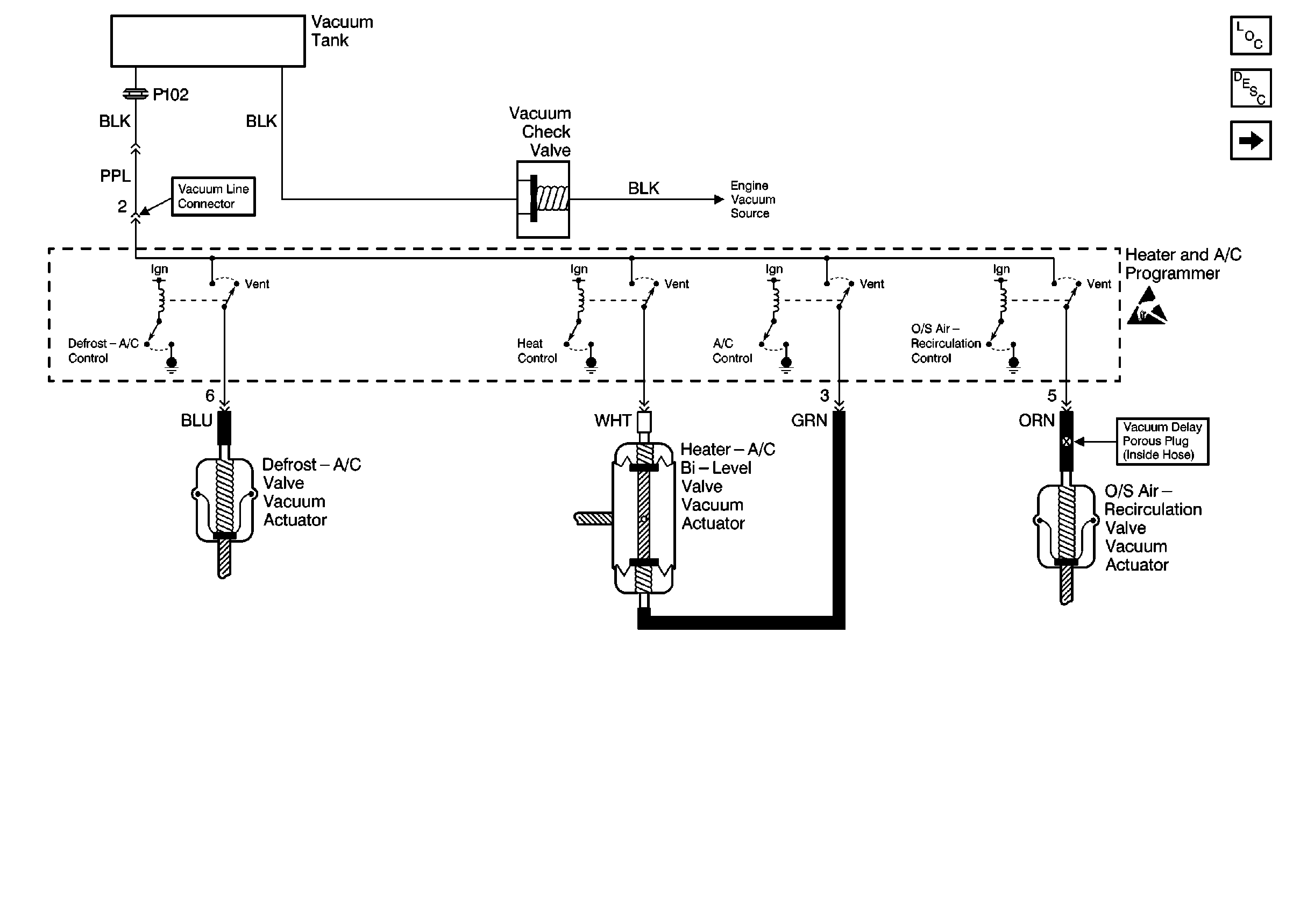
Cell 68: Vacuum Tank - Oldsmobile, Buick

Cell 68: Vacuum Tank -- Oldsmobile, Buick


Object Number: 341799  Size: FS
HVAC Components
HVAC Temperature Controls Circuit Description C68
Cell 68: Passenger Air Mix Actuator - Oldsmobile, Buick
Handling ESD Sensitive Parts Notice