GM Service Manual Online
For 1990-2009 cars only
Makes
🢒
Buick
🢒
1999
🢒
LeSabre
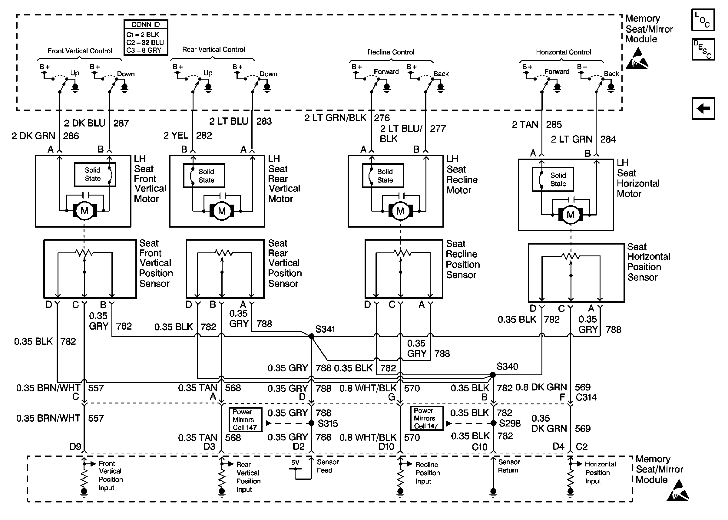
🢒 Cell 141: Seat Motors and Position Sensors
Cell 141: Seat Motors and Position Sensors
Cell 141: Seat Motors and Position Sensors
Power Seat Systems Components
Memory Seat Circuit Description Oldsmobile w/A43
Cell 141: LH Seat Switch
Power Seat Connector End Views
Outside Rearview Mirror Schematics
Outside Rearview Mirror Schematics
Handling ESD Sensitive Parts Notice
Handling ESD Sensitive Parts Notice