GM Service Manual Online
For 1990-2009 cars only
Makes
🢒
Buick
🢒
1999
🢒
LeSabre
🢒 Ignition Switch
Ignition Switch
Ignition Switch
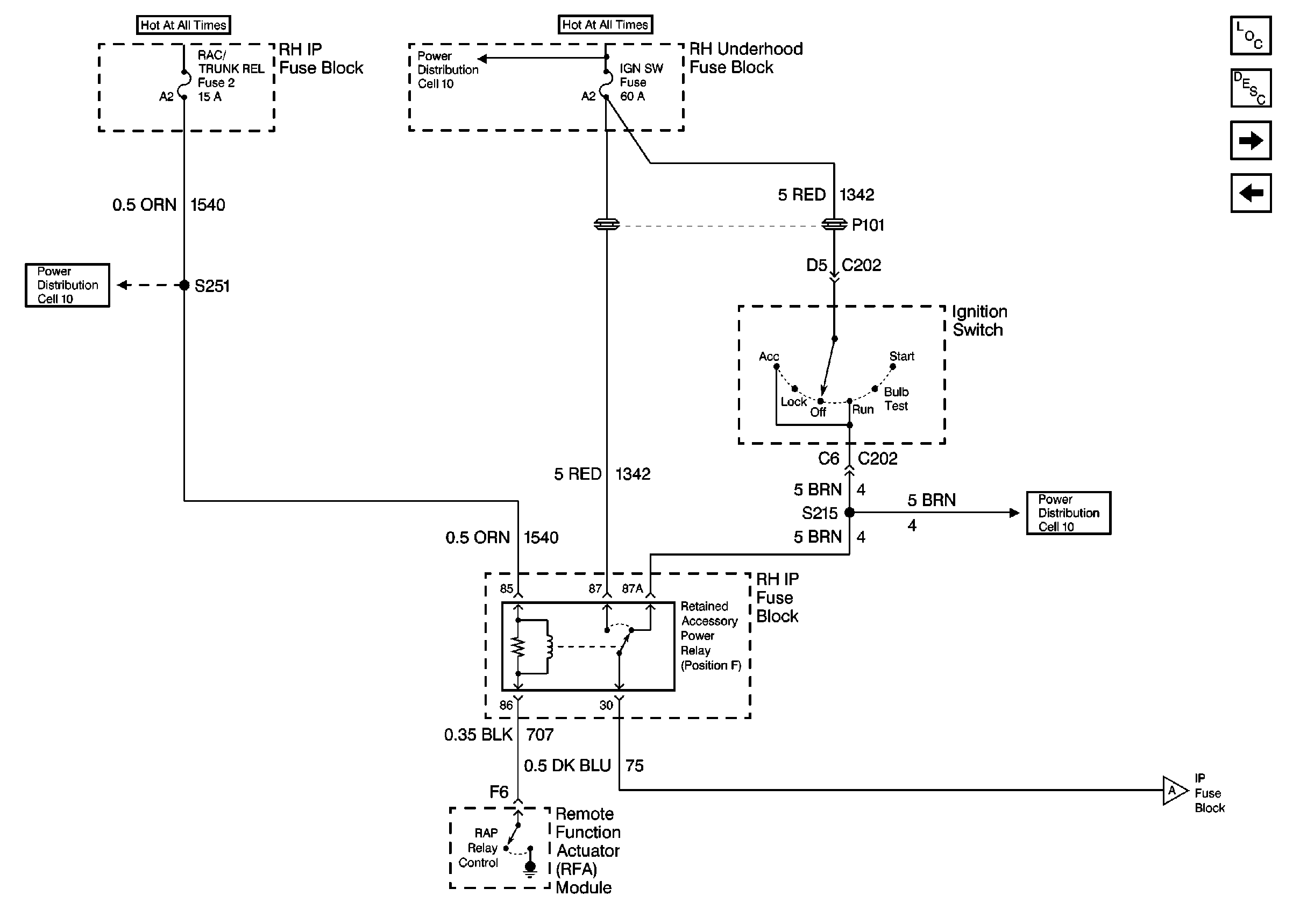
Retained Accessory Power (RAP) Components
Retained Accessory Power (RAP) Circuit Description
RH Maxi Fuse Block
Cell 15: Door Jamb Switches
Power Distribution Schematics
RH Maxi Fuse Block
Cell 15: Door Jamb Switches
Cell 15: Door Jamb Switches