GM Service Manual Online
For 1990-2009 cars only
Makes
🢒
Buick
🢒
1999
🢒
LeSabre
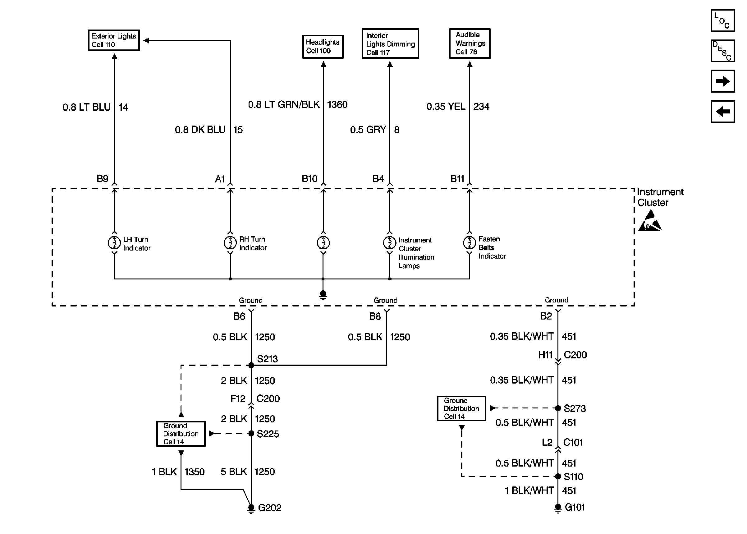
🢒 Cell 80: Indicators # 2
Cell 80: Indicators # 2
Cell 80: Indicators # 2
Instrument Cluster and HUD Components
Instrument Cluster Circuit Description
Headlights Schematics Buick
Cell 80: Fuel Sender
Audible Warnings Schematics
Cell 80: Indicators
Handling ESD Sensitive Parts Notice
Exterior Lights Schematics Buick
Interior Lights Dimming Schematics Buick
Ground Distribution Schematics
Ground Distribution Schematics