GM Service Manual Online
For 1990-2009 cars only
Makes
🢒
Buick
🢒
1999
🢒
LeSabre
🢒 Cell 130: Door Locks With Keyless Entry - Pontiac With UA6
Cell 130: Door Locks With Keyless Entry - Pontiac With UA6
Cell 130: Door Locks With Keyless Entry - Pontiac With UA6
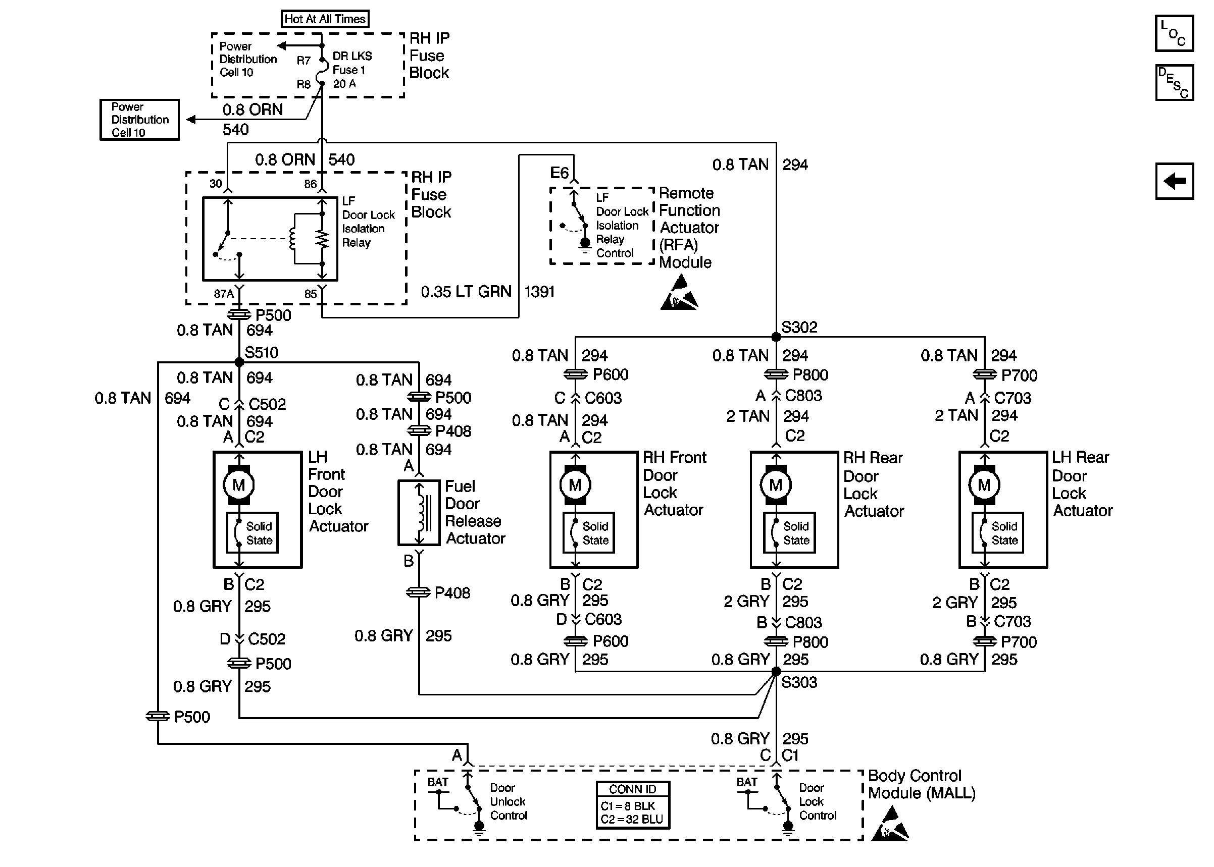
Cell 10: A/C FEEDBACK, DR LKS, HORN, and RAC/TRUNK REL Fuses
Cell 10: A/C FEEDBACK, DR LKS, HORN, and RAC/TRUNK REL Fuses
Handling ESD Sensitive Parts Notice
Power Door Systems Components
Power Door Locks Circuit Description
Cell 130: Door Locks With Keyless Entry - Buick, Oldsmobile, Pontiac Without UA6
Handling ESD Sensitive Parts Notice