GM Service Manual Online
For 1990-2009 cars only
Makes
🢒
Buick
🢒
1999
🢒
LeSabre
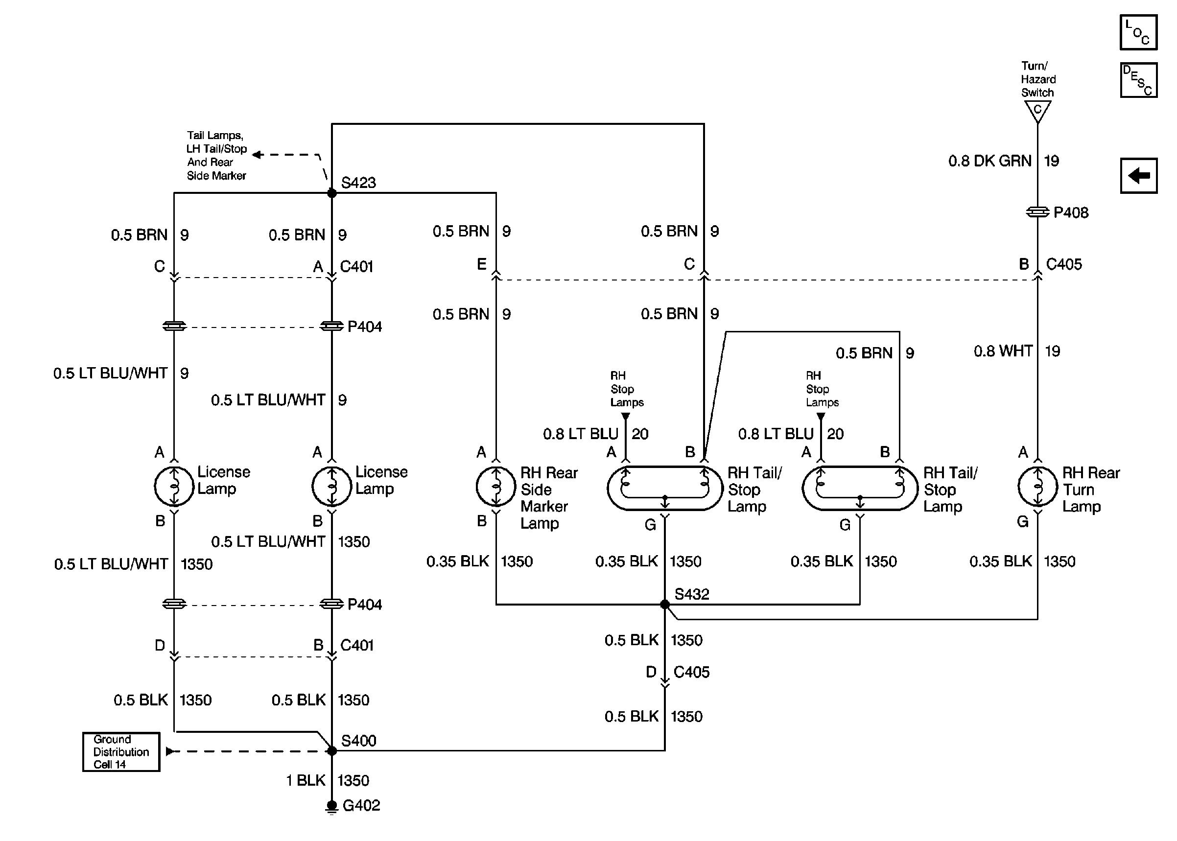
🢒 Cell 110: Tail and License Lamps
Cell 110: Tail and License Lamps
Cell 110: Tail and License Lamps
Lighting Systems Components
Exterior Lights Circuit Description
Cell 110: Tail, Rear Turn and Rear Side Marker Lamps
Cell 110: Turn/Hazard Switch
Ground Distribution Schematics
Cell 110: Tail, Rear Turn and Rear Side Marker Lamps