GM Service Manual Online
For 1990-2009 cars only
Makes
🢒
Buick
🢒
1999
🢒
LeSabre
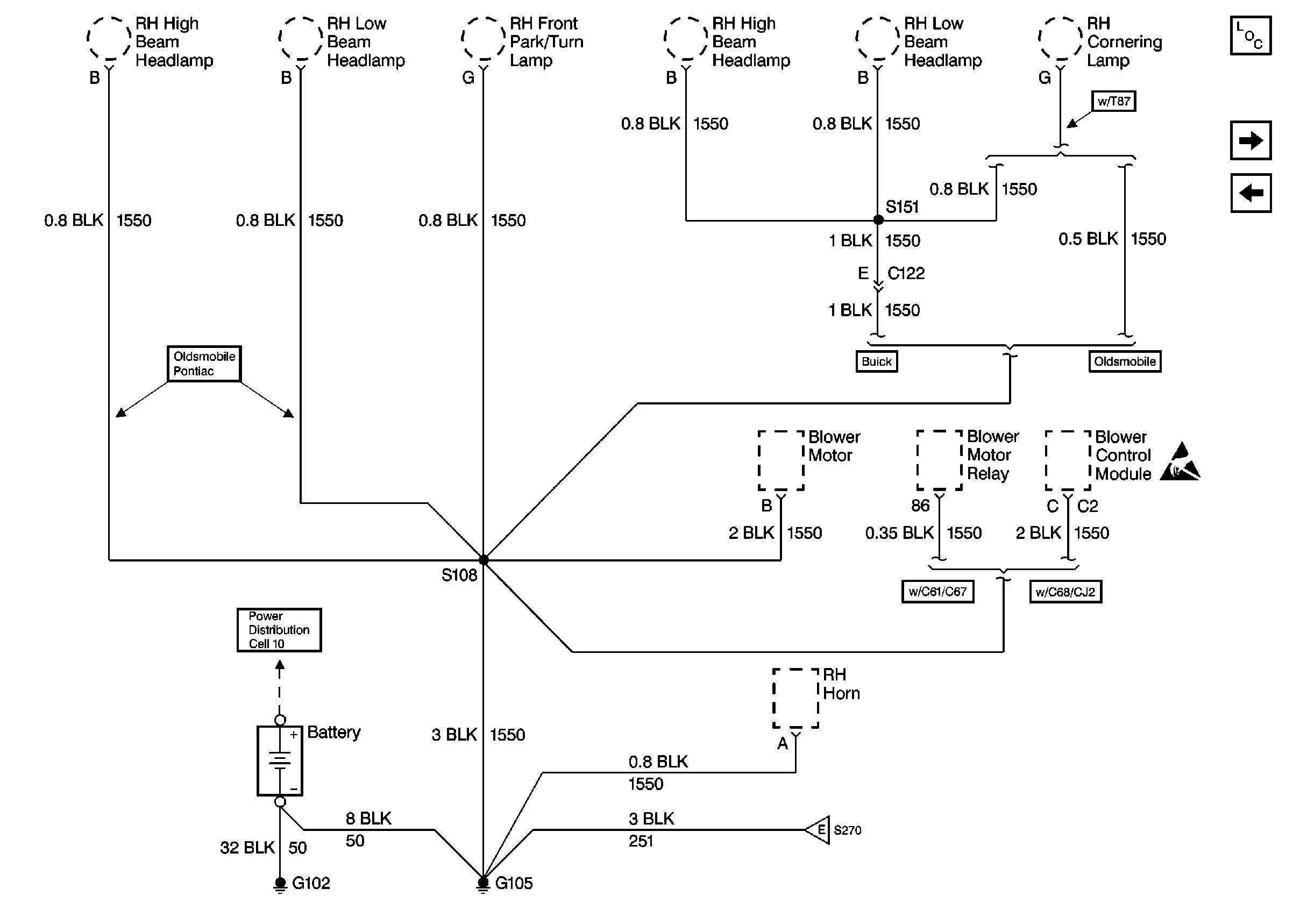
🢒 Cell 14: G102 and G105 (1 of 4)
Cell 14: G102 and G105 (1 of 4)
Cell 14: G102 and G105 (1 of 4)
Power and Grounding Components
Cell 14: G105 (2 of 4)
Cell 14: G104
Cell 14: G105 (2 of 4)
Cell 10: Battery and Underhood Fuse Blocks
Handling ESD Sensitive Parts Notice