GM Service Manual Online
For 1990-2009 cars only
Makes
🢒
Buick
🢒
1999
🢒
LeSabre
🢒 Cell 117: IP Incandescent Dimming
Cell 117: IP Incandescent Dimming
Cell 117: IP Incandescent Dimming
Lighting Systems Components
Interior Lights Dimming Circuit Description Oldsmobile
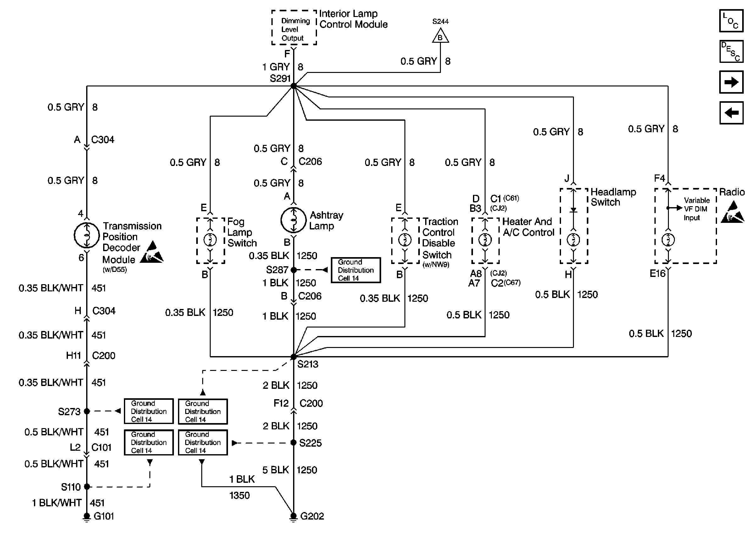
Cell 117: Instrument Cluster and Front Door Incandescent Dimming
Cell 117: Dimming Inputs
Cell 117: Instrument Cluster and Front Door Incandescent Dimming
Ground Distribution Schematics
Ground Distribution Schematics
Ground Distribution Schematics
Ground Distribution Schematics
Ground Distribution Schematics
Handling ESD Sensitive Parts Notice
Handling ESD Sensitive Parts Notice