GM Service Manual Online
For 1990-2009 cars only
Makes
🢒
Buick
🢒
1999
🢒
LeSabre
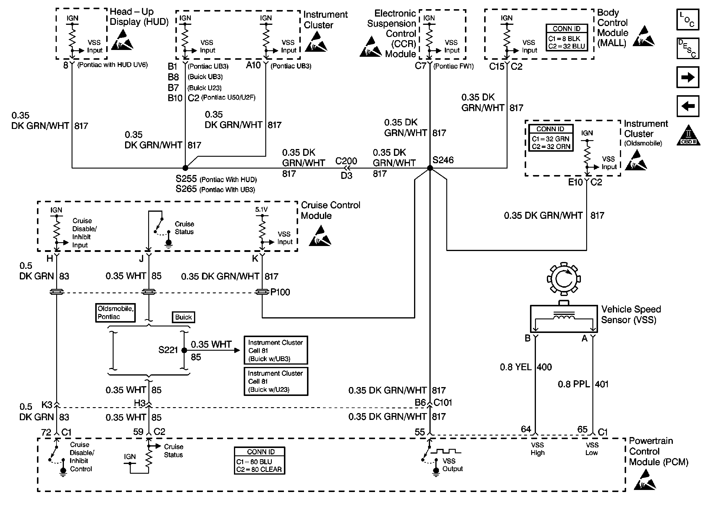
🢒 Cell 20: VSS, Cruise Control Module
Cell 20: VSS, Cruise Control Module
Cell 20: VSS, Cruise Control Module
Engine Controls Components
Powertrain Control Module Description
Cell 20: EGR Valve, EVAP System
Cell 20: MAF, IAC, Knock Sensors
OBD II Symbol Description Notice
Body Control System Connector End Views
Instrument Cluster and HUD Connector End Views
Handling ESD Sensitive Parts Notice
Handling ESD Sensitive Parts Notice
Handling ESD Sensitive Parts Notice
Handling ESD Sensitive Parts Notice
Handling ESD Sensitive Parts Notice
Handling ESD Sensitive Parts Notice
Handling ESD Sensitive Parts Notice
Instrument Cluster: Analog Schematics Buick with UB3
Instrument Cluster: Analog Schematics Buick with U23
Powertrain Control Module Connector End Views