Removal Procedure
- Disconnect the cruise control cable. Refer to
Cruise Control Cable Replacement
.
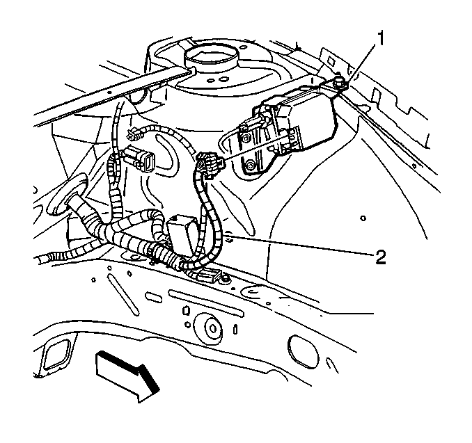
- Disconnect the electrical
connector (2).
- Remove the cruise control
module bracket retaining fasteners (1, 3).
- Remove the cruise control module and bracket assembly (2)
from the vehicle.
- Remove the module to bracket fasteners.
- Remove the cruise control module from the bracket.
Installation Procedure
- Install the cruise control
module (2) to the bracket.
Notice: Use the correct fastener in the correct location. Replacement fasteners
must be the correct part number for that application. Fasteners requiring
replacement or fasteners requiring the use of thread locking compound or sealant
are identified in the service procedure. Do not use paints, lubricants, or
corrosion inhibitors on fasteners or fastener joint surfaces unless specified.
These coatings affect fastener torque and joint clamping force and may damage
the fastener. Use the correct tightening sequence and specifications when
installing fasteners in order to avoid damage to parts and systems.
- Install the module
to bracket fasteners.
Tighten
Tighten the fasteners to 7.5 N·m (66 lb in).
- Install the cruise control module and bracket assembly to the
vehicle.
- Install the module retaining fasteners (1, 3).
Tighten
Tighten the fasteners to 9 N·m (80 lb in).
- Connect the electrical
connector (2).
- Connect the cruise control cable. Refer to
Cruise Control Cable Replacement
.
- Inspect the component operation.