GM Service Manual Online
For 1990-2009 cars only

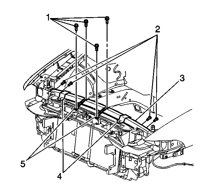
Removal Procedure


    Object Number: 644716  Size: SH
  1. Remove the headlamp/fascia panel support bracket fasteners (1).
  2. Remove the headlamp/fascia panel support brackets (5).
  3. Remove the Radiator Support Brackets (4). Refer to Radiator Support Replacement .
  4. Remove the Air Cleaner Assembly. Refer to Air Cleaner Assembly Replacement in Engine Controls-3.8L.
  5. Remove the upper tie bar fasteners (2).
  6. Remove the upper tie bar (3) from the vehicle.

Installation Procedure


    Object Number: 644716  Size: SH
  1. Install the upper tie bar (3) onto the vehicle.
  2. Notice: Use the correct fastener in the correct location. Replacement fasteners must be the correct part number for that application. Fasteners requiring replacement or fasteners requiring the use of thread locking compound or sealant are identified in the service procedure. Do not use paints, lubricants, or corrosion inhibitors on fasteners or fastener joint surfaces unless specified. These coatings affect fastener torque and joint clamping force and may damage the fastener. Use the correct tightening sequence and specifications when installing fasteners in order to avoid damage to parts and systems.

  3. Install the upper tie bar fasteners (2).
  4. Tighten
    Tighten the upper tie bar fasteners to 10 N·m (89 lb in).

  5. Install the Air Cleaner Assembly. Refer to Air Cleaner Assembly Replacement in Engine Controls - 3.8L.
  6. Install the Radiator Support Brackets (4). Refer to Radiator Support Replacement .
  7. Install the headlamp/fascia panel support brackets (5) .
  8. Install the headlamp/fascia panel support bracket fasteners (1).
  9. Tighten
    Tighten the headlamp/fascia panel support bracket fasteners to 9 N·m (80 lb in).