GM Service Manual Online
For 1990-2009 cars only
Makes
🢒
Buick
🢒
2000
🢒
LeSabre
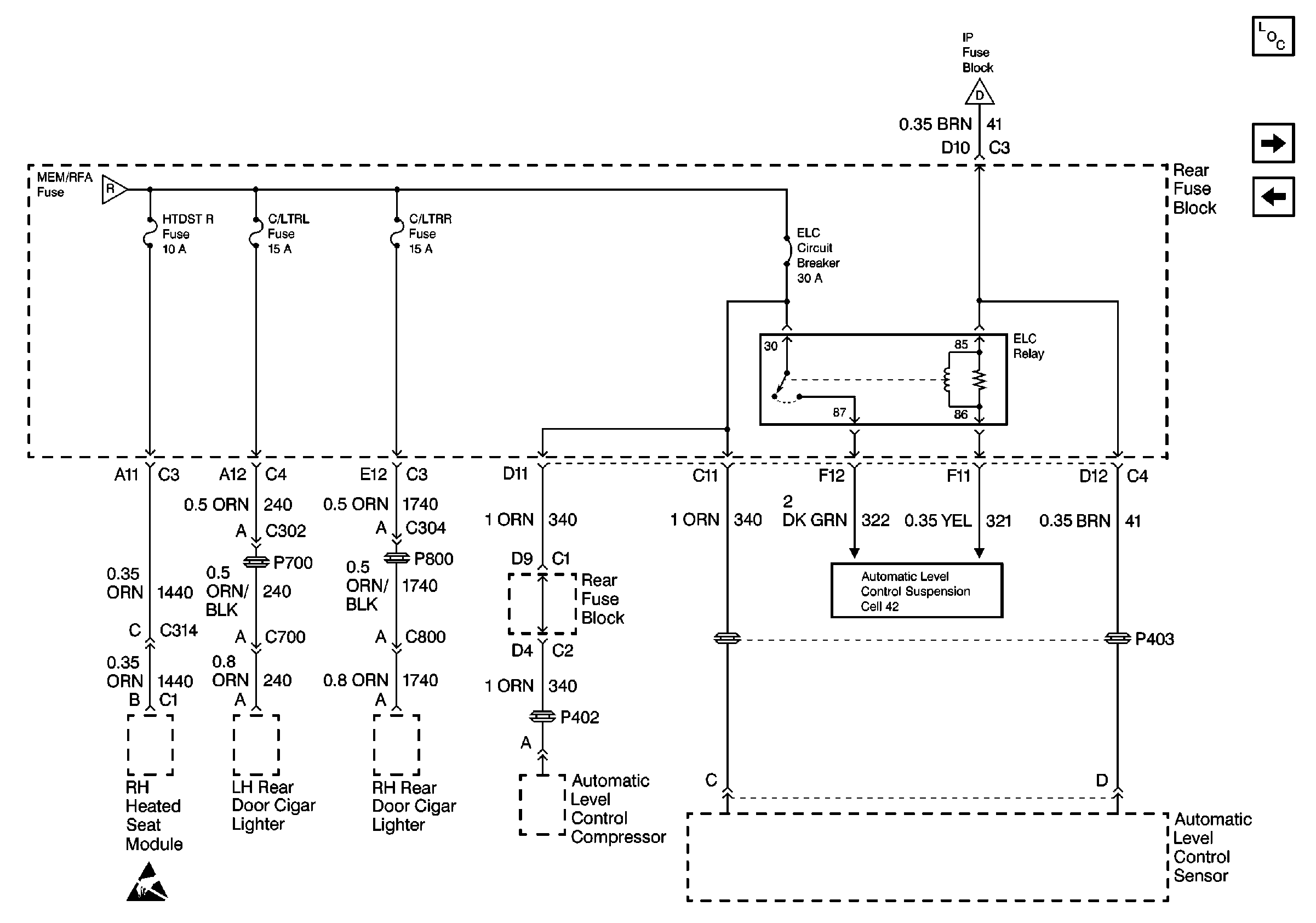
🢒 Cell 10: HTDST R, C/LTR L and C/LTR R Fuses
Cell 10: HTDST R, C/LTR L and C/LTR R Fuses
Cell 10: HTDST R, C/LTR L and C/LTR R Fuses
Power and Grounding Components
Cell 10: IGN SEN, ABS, RUN, AUX and AUXOT LT
Cell 10: BATT 2 and MEM/RFA Fuses
Cell 10: WSW, WSW/RFA, HUD, ELC, CR CONT, A/C and HVAC Fuses
Cell 10: BATT 2 and MEM/RFA Fuses
Handling ESD Sensitive Parts Notice