GM Service Manual Online
For 1990-2009 cars only
Makes
🢒
Buick
🢒
2000
🢒
LeSabre
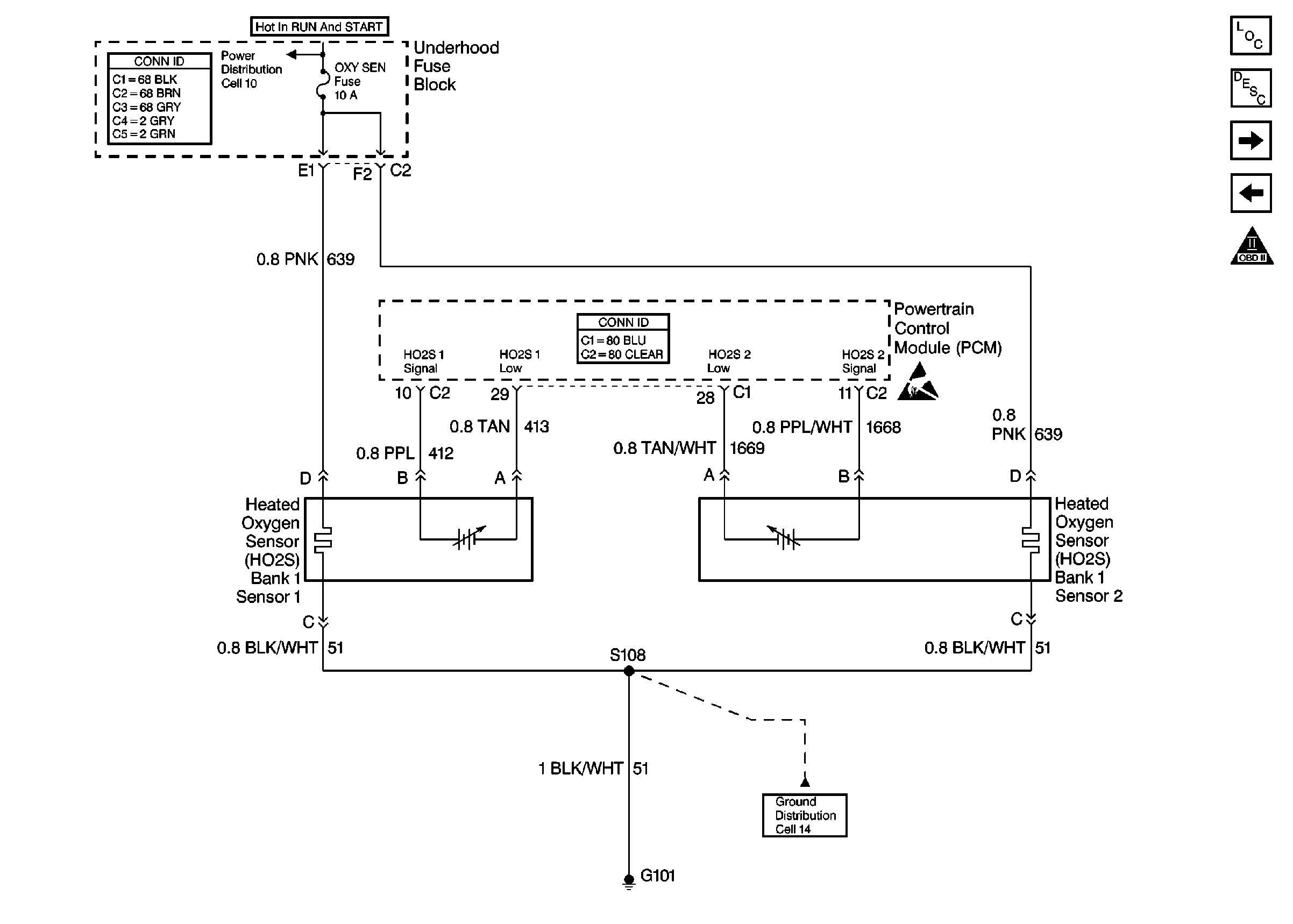
🢒 Cell 20: Heated Oxygen Sensors
Cell 20: Heated Oxygen Sensors
Cell 20: Heated Oxygen Sensors
Engine Controls Components
Powertrain Control Module Description
Cell 20: MAF, IAC and Knock Sensors
Cell 20: Fuel Tank Pressure Sensor, EVAP Vent Valve
OBD II Symbol Description Notice
Handling ESD Sensitive Parts Notice
Power Distribution Schematics
Ground Distribution Schematics
Powertrain Control Module Connector End Views