GM Service Manual Online
For 1990-2009 cars only
Makes
🢒
Buick
🢒
2000
🢒
LeSabre
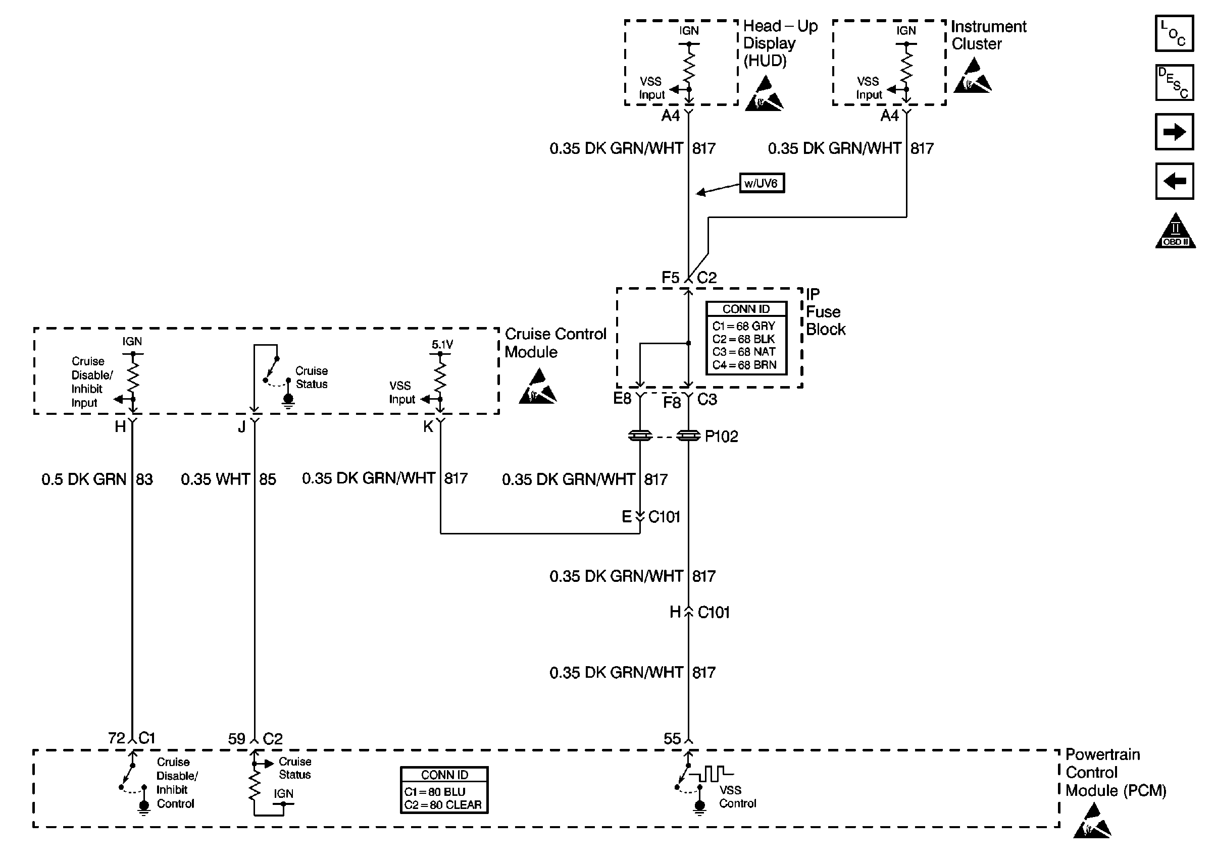
🢒 Cell 20: Cruise Control Module and VSS Control
Cell 20: Cruise Control Module and VSS Control
Cell 20: Cruise Control Module and VSS Control
Engine Controls Components
Powertrain Control Module Description
Cell 20: EGR and EVAP Purge Valve
Cell 20: MAF, IAC and Knock Sensors
OBD II Symbol Description Notice
Handling ESD Sensitive Parts Notice
Handling ESD Sensitive Parts Notice
Handling ESD Sensitive Parts Notice
Handling ESD Sensitive Parts Notice
Powertrain Control Module Connector End Views