GM Service Manual Online
For 1990-2009 cars only
Makes
🢒
Buick
🢒
2000
🢒
LeSabre
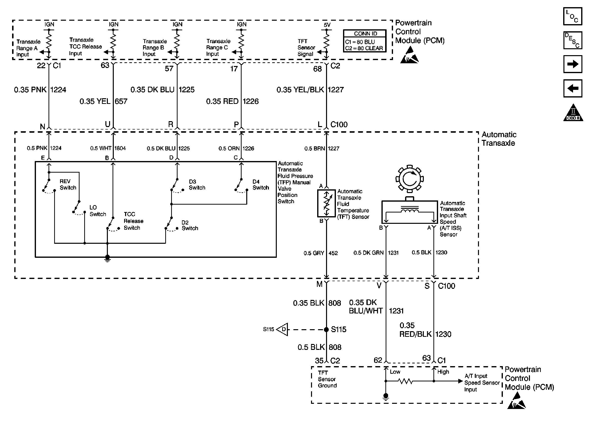
🢒 Cell 20: Transaxle Sensors
Cell 20: Transaxle Sensors
Cell 20: Transaxle Sensors
Engine Controls Components
Powertrain Control Module Description
Cell 20: Park/Neutral Position (PNP) Switch and VSS
Cell 20: Transaxle Solenoids and ABS/TCC Switch
OBD II Symbol Description Notice
Handling ESD Sensitive Parts Notice
Handling ESD Sensitive Parts Notice
Powertrain Control Module Connector End Views
Cell 20: Transaxle Solenoids and ABS/TCC Switch