GM Service Manual Online
For 1990-2009 cars only
Makes
🢒
Buick
🢒
2000
🢒
LeSabre
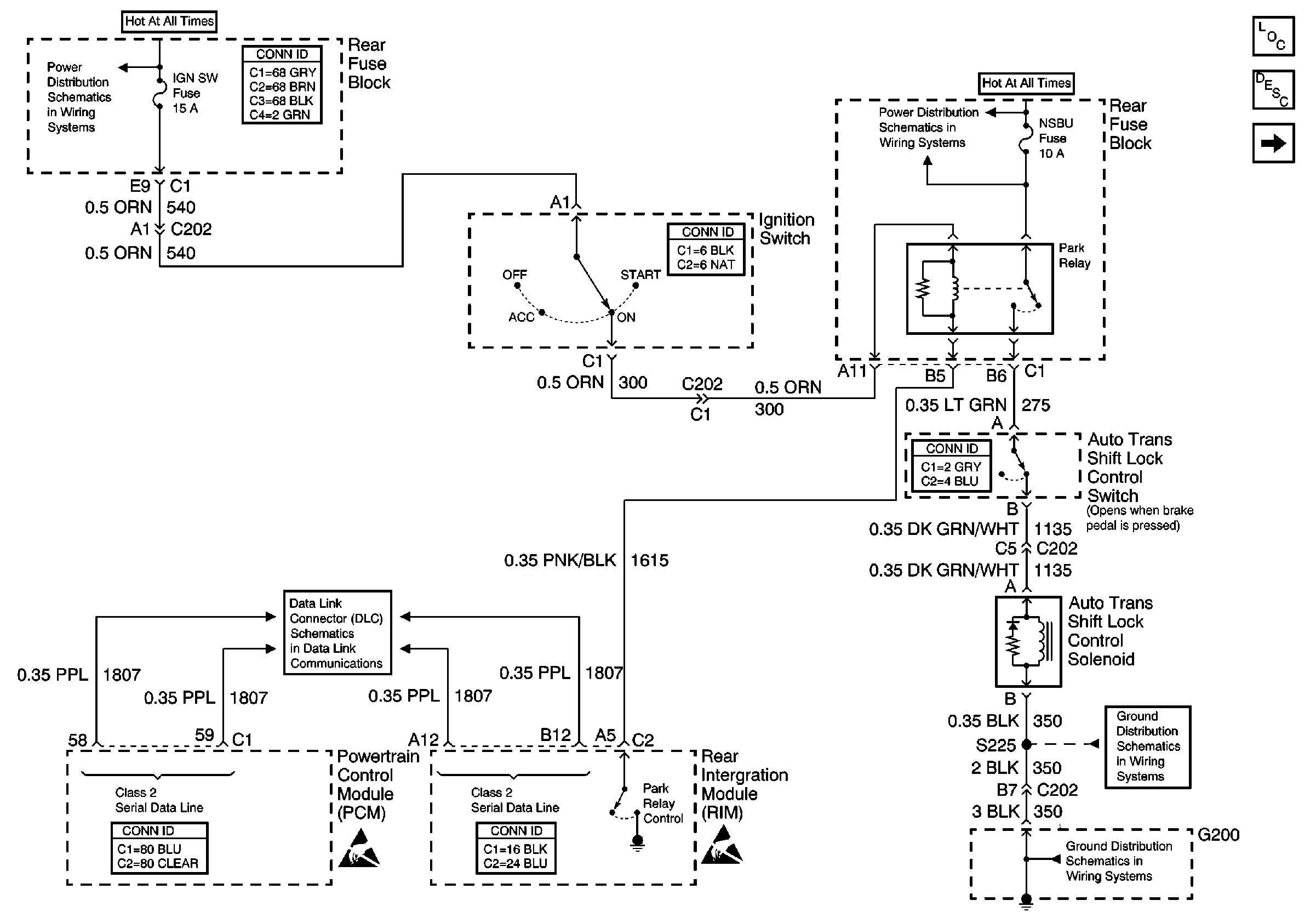
🢒 Auto Trans Shift Lock Control Solenoid: Class 2
Auto Trans Shift Lock Control Solenoid: Class 2
Auto Trans Shift Lock Control Solenoid: Class 2
Automatic Transmission Components
Automatic Transmission Shift Lock Control Circuit Description
Internal Mode Switch Inputs
PARK and REVERSE Relay, NSBU and IGN SW Fuses (Rear Fuse Block)
G200 (1 of 2)
G200 (1 of 2)
Serial Data Class 2
PARK and REVERSE Relay, NSBU and IGN SW Fuses (Rear Fuse Block)
Handling ESD Sensitive Parts Notice
Handling ESD Sensitive Parts Notice