GM Service Manual Online
For 1990-2009 cars only
Makes
🢒
Buick
🢒
2000
🢒
LeSabre
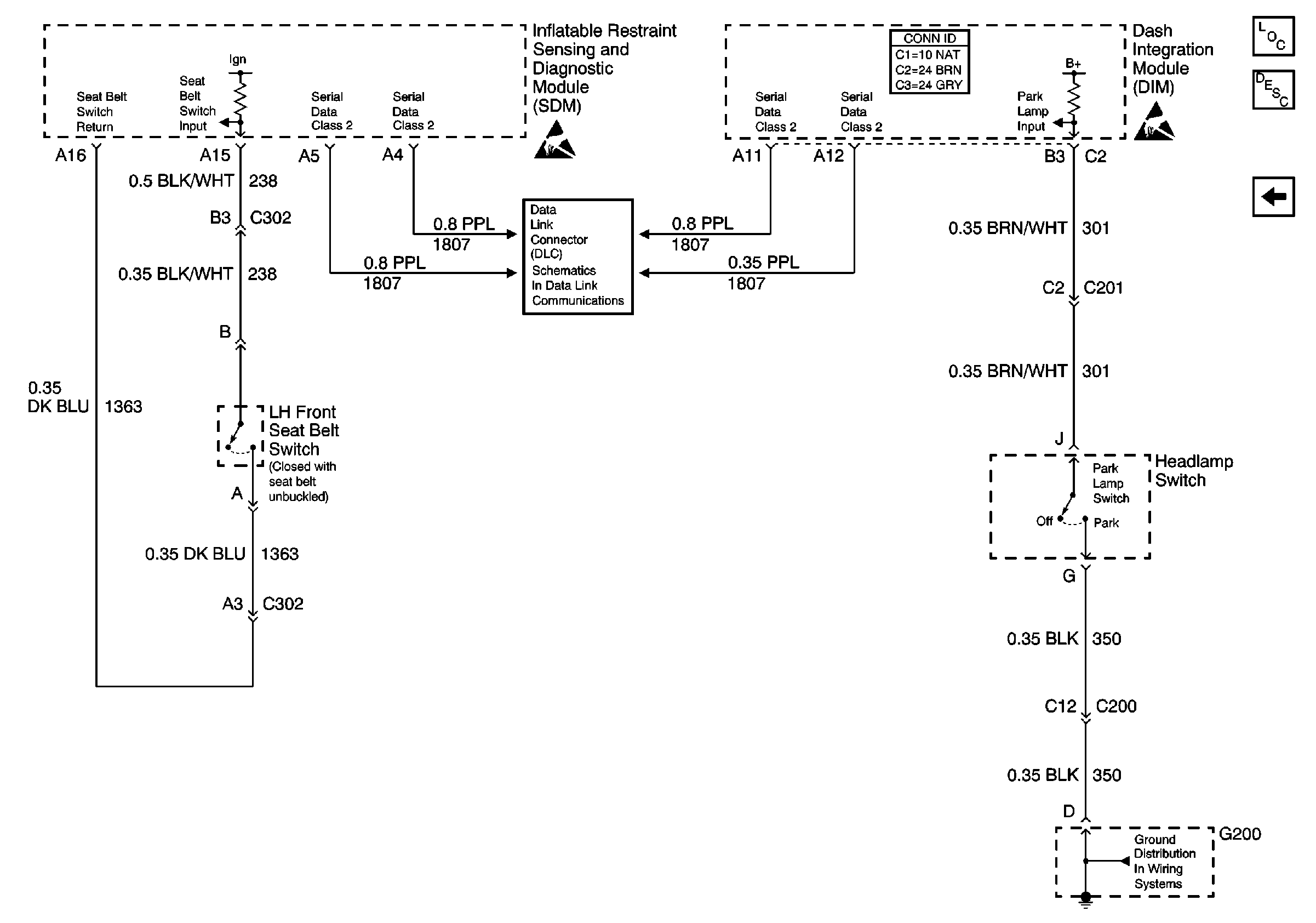
🢒 Seat Belt, Headlamp Switches
Seat Belt, Headlamp Switches
Seat Belt, Headlamp Switches
Instrument Cluster and HUD Components
Audible Warnings Circuit Description
Radio Output, Door, Ignition Switch
Handling ESD Sensitive Parts Notice
Handling ESD Sensitive Parts Notice
Serial Data Class 2
G200 (1 of 2)