GM Service Manual Online
For 1990-2009 cars only
Makes
🢒
Buick
🢒
2000
🢒
LeSabre
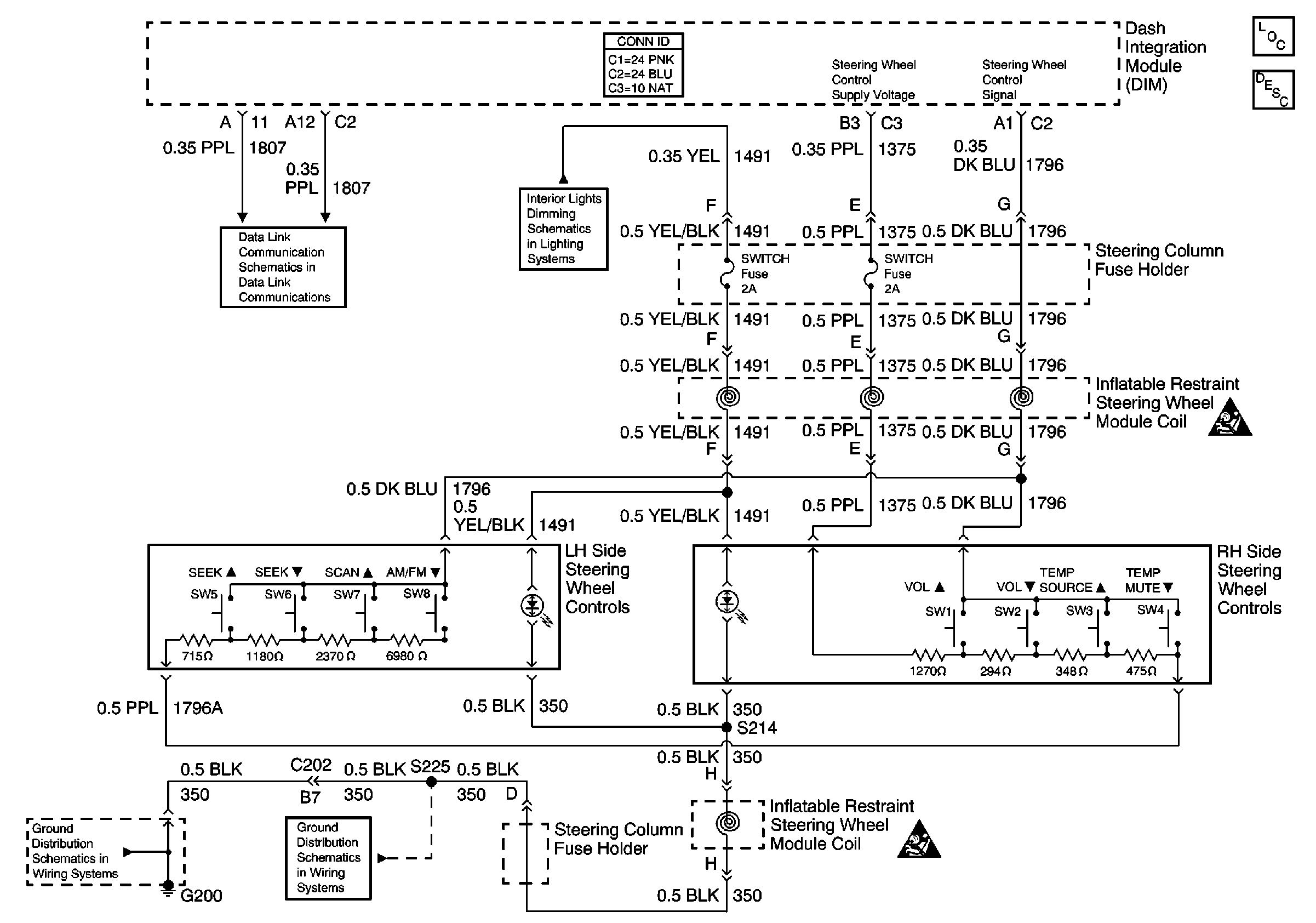
🢒 220Cell 152 Steering Wheel Controls
220Cell 152 Steering Wheel Controls
Entertainment Components
Steering Wheel Controls System Circuit Description
SIR Handling Caution
G200 (1 of 2)
Serial Data Class 2
Steering Column Dimming
G200 (1 of 2)
SIR Handling Caution