GM Service Manual Online
For 1990-2009 cars only
Makes
🢒
Buick
🢒
2000
🢒
LeSabre
🢒 Cell 76
Cell 76
Cell 76
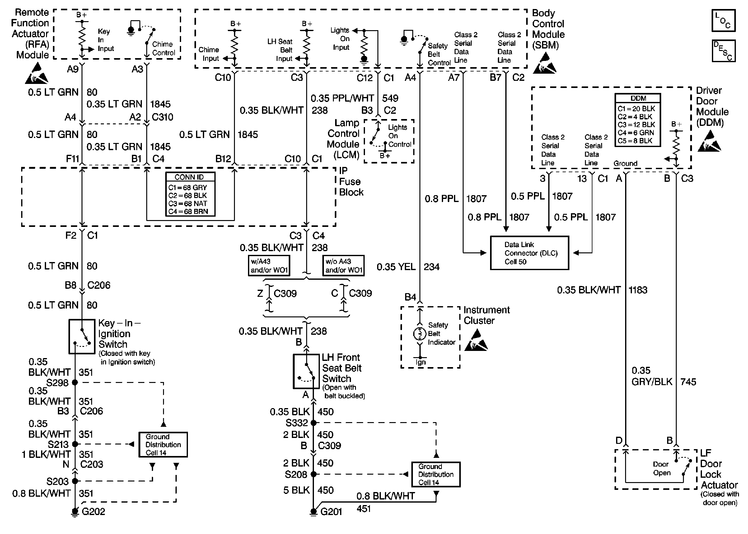
Instrument Cluster and HUD Components
Head Up Display Description
OBD II Symbol Description Notice
Cruise Control Schematics
Handling ESD Sensitive Parts Notice
Ground Distribution Schematics
Ground Distribution Schematics
Power Distribution Schematics
Interior Lights Dimming Schematics
Instrument Cluster: Analog Schematics
Instrument Cluster and HUD Connector End Views