GM Service Manual Online
For 1990-2009 cars only

Removal Procedure

  1. Raise and support the vehicle. Refer to Lifting and Jacking the Vehicle in General Information.
  2. Support the engine assembly with a suitable jack.

  3. Object Number: 642913  Size: SH
  4. Remove the nut securing the right engine mount to the right engine mount bracket.
  5. Lower the jack allowing the engine to lower slightly.

  6. Object Number: 642915  Size: SH
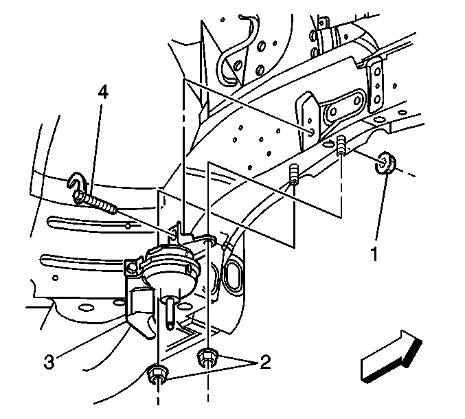
  7. Remove the bolt (4) securing the mount to the body frame rail.
  8. Remove the two nuts (2) securing the mount to the body frame rail.
  9. Remove the right engine mount (3).

Installation Procedure


    Object Number: 642915  Size: SH
  1. Position the right engine mount (3) to the body frame rail.
  2. Install the mount attaching bolt (4) and nut (1) to the body frame rail.
  3. Notice: Use the correct fastener in the correct location. Replacement fasteners must be the correct part number for that application. Fasteners requiring replacement or fasteners requiring the use of thread locking compound or sealant are identified in the service procedure. Do not use paints, lubricants, or corrosion inhibitors on fasteners or fastener joint surfaces unless specified. These coatings affect fastener torque and joint clamping force and may damage the fastener. Use the correct tightening sequence and specifications when installing fasteners in order to avoid damage to parts and systems.

  4. Install the two nuts (2) securing the right engine mount to the body frame rail.
  5. Tighten
    Tighten the right engine mount to body frame rail nuts (1, 2) to 70 N·m (52 lb ft).

  6. Raise the engine into position.

  7. Object Number: 642913  Size: SH
  8. Install the nut securing the right engine mount to the right engine mount bracket.
  9. Tighten
    Tighten the right engine mount nut to 80 N·m (59 lb ft).

  10. Remove the engine support jack.
  11. Lower the vehicle.