GM Service Manual Online
For 1990-2009 cars only

Removal Procedure

  1. Raise the vehicle. Refer to Lifting and Jacking the Vehicle .

  2. Object Number: 227986  Size: SH

    Important: Before disconnecting the air hose from the intake air filter or the air compressor, clean the components and the surrounding area to prevent dirt and other foreign material from entering the air compressor.

  3. Disconnect the intake air filter from the body rail and the air hose.

  4. Object Number: 227992  Size: SH
  5. Slide the air compressor connector off of the connector anchor.
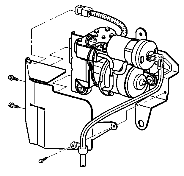
  6. Remove 3 bolts and the heat shield from the air compressor bracket.

  7. Object Number: 227994  Size: SH
  8. Disconnect the air hose from the air compressor assembly at 2 places.

Installation Procedure


    Object Number: 227994  Size: SH
  1. Connect the air hose to the air compressor assembly at 2 places.

  2. Object Number: 227986  Size: SH
  3. Connect the intake air filter to the air hose and the body rail.
  4. Notice: Refer to Fastener Notice in the Preface section.


    Object Number: 227992  Size: SH
  5. Install the heat shield and the harness tie with 3 bolts.
  6. Tighten
    Tighten 3 bolts to 4 N·m (35 lb in).

  7. Install the air compressor connector onto the connector anchor.
  8. Lower the vehicle. Refer to Lifting and Jacking the Vehicle .