GM Service Manual Online
For 1990-2009 cars only

Air Distributor Duct Replacement W/O DO7

Removal Procedure

  1. Remove the left side sound insulator. Refer to Instrument Panel Insulator Panel Replacement - Left Side in Instrument Panel, Gages and Console.
  2. Remove the right side sound insulator. Refer to Instrument Panel Insulator Panel Replacement - Right Side in Instrument Panel, Gages and Console.

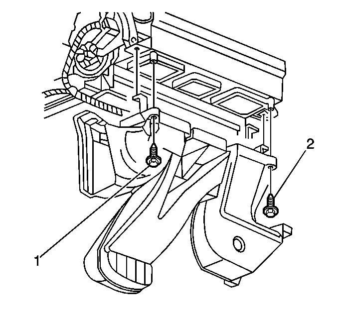
  3. Object Number: 419243  Size: SH

    Important: Due to the difficulty of the removal of the right side screw (2), it will not be necessary to install upon reassembly.

  4. Remove the air distributor duct screws (1,2).
  5. Remove the air distributor duct.

Installation Procedure

  1. Install the air distributor duct.

  2. Object Number: 419243  Size: SH

    Notice: Use the correct fastener in the correct location. Replacement fasteners must be the correct part number for that application. Fasteners requiring replacement or fasteners requiring the use of thread locking compound or sealant are identified in the service procedure. Do not use paints, lubricants, or corrosion inhibitors on fasteners or fastener joint surfaces unless specified. These coatings affect fastener torque and joint clamping force and may damage the fastener. Use the correct tightening sequence and specifications when installing fasteners in order to avoid damage to parts and systems.

  3. Install the left side screw (1). Ensure that the right side tab is seated properly.
  4. Tighten
    Tighten the screw to 1.4 N·m (12 lb in).

  5. Install the left side sound insulator. Refer to Instrument Panel Insulator Panel Replacement - Left Side in Instrument Panel, Gages and Console.
  6. Install the right side sound insulator. Refer to Instrument Panel Insulator Panel Replacement - Right Side in Instrument Panel, Gages and Console.

Air Distributor Duct Replacement With DO7 Rear Air Duct

Removal Procedure

  1. Remove the left side sound insulator. Refer to Instrument Panel Insulator Panel Replacement - Left Side in Instrument Panel, Gages and Console.
  2. Remove the right side sound insulator. Refer to Instrument Panel Insulator Panel Replacement - Right Side in Instrument Panel, Gages and Console.

  3. Object Number: 422263  Size: SH
  4. Remove the auxiliary air distribution duct adapter.

  5. Object Number: 419235  Size: SH

    Important: Due to the difficulty of the removal of the right side screw (2), it will not be necessary to install upon reassembly.

  6. Remove the air distributor duct screws (1,2).
  7. Remove the air distribution duct.

Installation Procedure

  1. Install the air distribution duct

  2. Object Number: 419235  Size: SH

    Notice: Use the correct fastener in the correct location. Replacement fasteners must be the correct part number for that application. Fasteners requiring replacement or fasteners requiring the use of thread locking compound or sealant are identified in the service procedure. Do not use paints, lubricants, or corrosion inhibitors on fasteners or fastener joint surfaces unless specified. These coatings affect fastener torque and joint clamping force and may damage the fastener. Use the correct tightening sequence and specifications when installing fasteners in order to avoid damage to parts and systems.

  3. Install the left screw (1). Ensure that the right tab is seated properly.
  4. Tighten
    Tighten the screw to 1.4 N·m (12 lb in).


    Object Number: 422263  Size: SH
  5. Install the auxiliary air distribution duct adapter.
  6. Install the left side sound insulator. Refer to Instrument Panel Insulator Panel Replacement - Left Side in Instrument Panel, Gages and Console.
  7. Install the right side sound insulator. Refer to Instrument Panel Insulator Panel Replacement - Right Side in Instrument Panel, Gages and Console.