GM Service Manual Online
For 1990-2009 cars only

Removal Procedure

  1. Remove the IP carrier. Refer to Instrument Panel Carrier Replacement in Instrument Panel, Gages and Console.

  2. Object Number: 419272  Size: SH
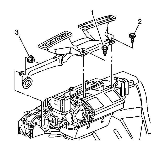
  3. Remove the defroster duct retaining screws (1,2).
  4. Remove the defroster duct nut at the front of dash (3).
  5. Remove the defroster duct.

Installation Procedure


    Object Number: 419272  Size: SH
  1. Install the defroster duct.
  2. Notice: Use the correct fastener in the correct location. Replacement fasteners must be the correct part number for that application. Fasteners requiring replacement or fasteners requiring the use of thread locking compound or sealant are identified in the service procedure. Do not use paints, lubricants, or corrosion inhibitors on fasteners or fastener joint surfaces unless specified. These coatings affect fastener torque and joint clamping force and may damage the fastener. Use the correct tightening sequence and specifications when installing fasteners in order to avoid damage to parts and systems.

  3. Install the defroster duct attaching screws (1,2).
  4. Tighten
    Tighten the screws to 1.4 N·m (12 lb in).

  5. Install the defroster duct mounting nut (3) to the front of dash.
  6. Tighten
    Tighten the nut to 9 N·m (80 lb in).

  7. Install the IP carrier. Refer to Instrument Panel Carrier Replacement in Instrument Panel, Gages and Console.