GM Service Manual Online
For 1990-2009 cars only
Makes
🢒
Buick
🢒
2001
🢒
LeSabre
🢒
Body and Accessories
🢒
Instrument Panel, Gauges, and Console
🢒 Audible Warnings Schematics
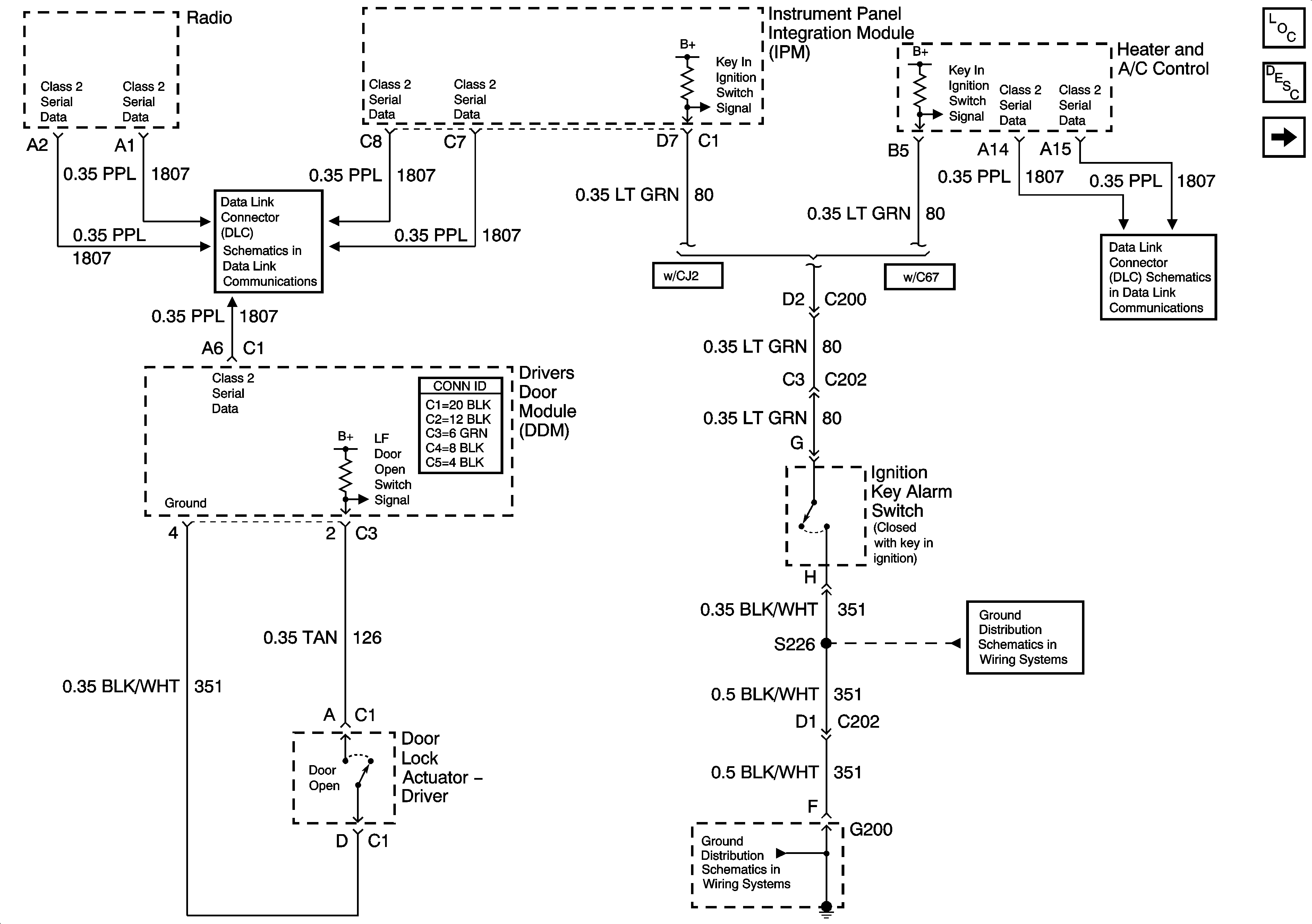
Figure
1:
Radio Output, Door, Ignition Switch
Master Electrical Component List
Indicator/Warning Message Description and Operation
Seat Belt, Headlamp Switches
Serial Data Class 2
G200 (1 of 2)
G200 (1 of 2)
Serial Data Class 2
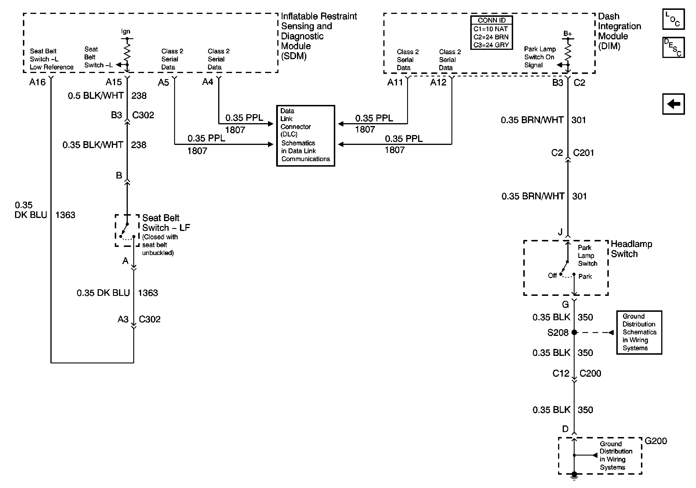
Figure
2:
Seat Belt, Headlamp Switches
Master Electrical Component List
Indicator/Warning Message Description and Operation
Radio Output, Door, Ignition Switch
G200 (2 of 2)
G200 (2 of 2)
Serial Data Class 2