GM Service Manual Online
For 1990-2009 cars only
Makes
🢒
Buick
🢒
2001
🢒
LeSabre
🢒
Body and Accessories
🢒
Theft Deterrent
🢒 Theft Deterrent System Schematics
Figure
1:
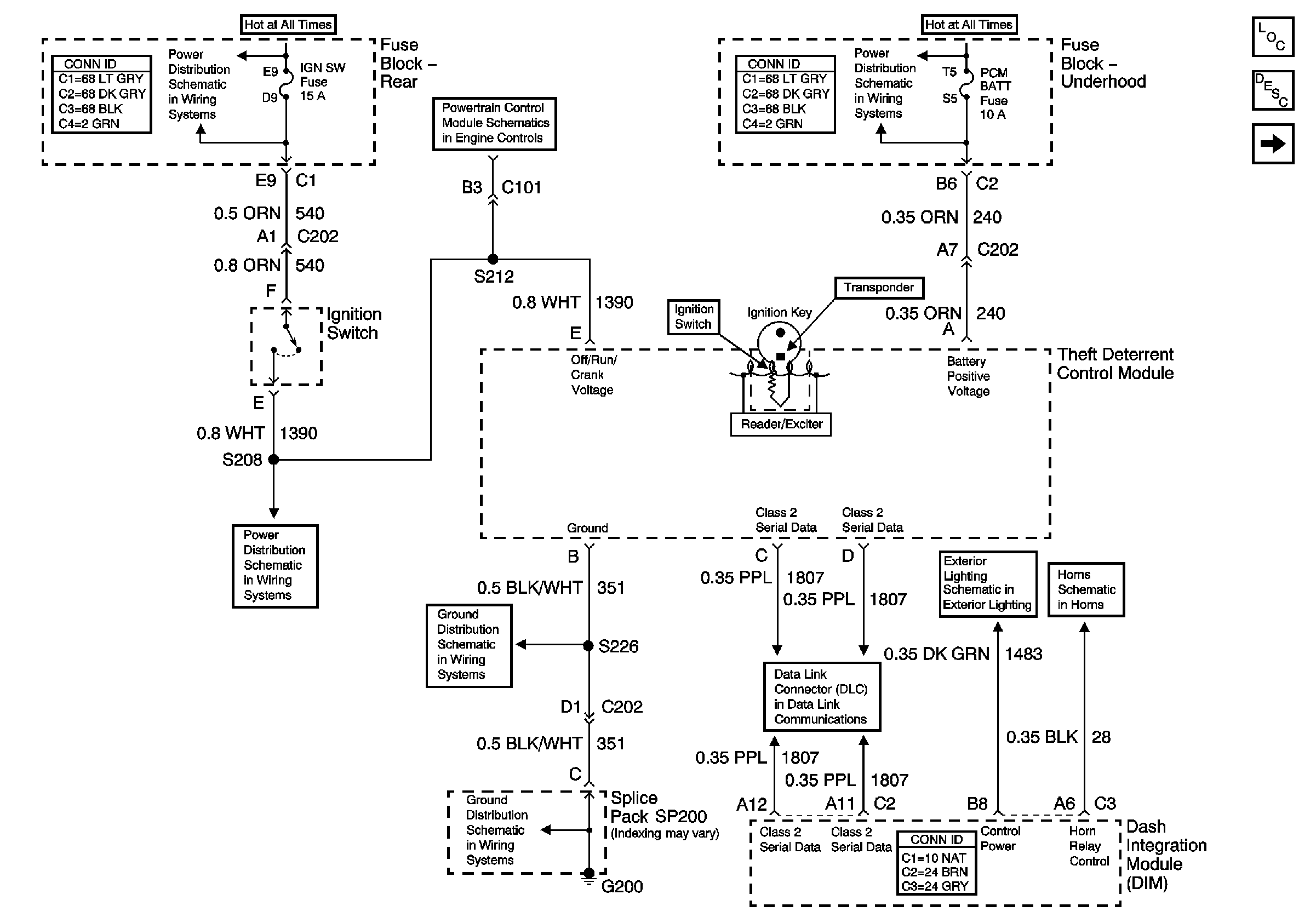
Vehicle Theft Deterrent Module (VTD)
Master Electrical Component List
Theft Systems Description and Operation
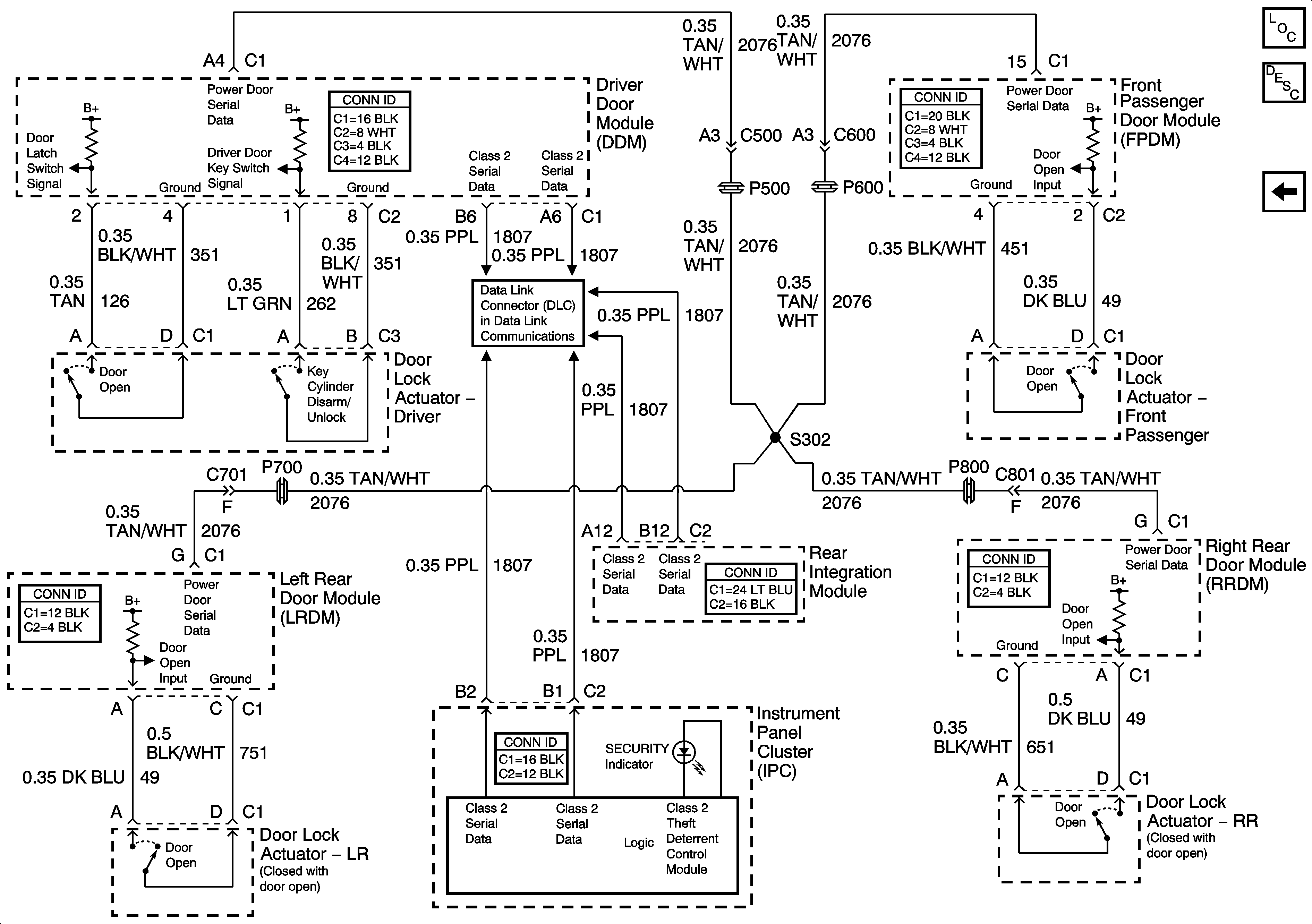
Door Lock Actuators and Simple Bus Interface
Park Lamp Relay
Horns
Serial Data Class 2
G200 (1 of 2)
G200 (1 of 2)
Ignition Switch (2 of 2)
IGN SW and NSBU Fuses (Rear Fuse Block)
IGN Switch, PCM Feeds
High Beam and Low Beam Relays, ABS, PCM Batt, High Beam and Low Beam Fuses (Underhood Fuse Block)
Figure
2:
Door Lock Actuators and Simple Bus Interface
Master Electrical Component List
Theft Systems Description and Operation
Vehicle Theft Deterrent Module (VTD)