GM Service Manual Online
For 1990-2009 cars only
Makes
🢒
Buick
🢒
2001
🢒
LeSabre
🢒
Body and Accessories
🢒
Wiring Systems
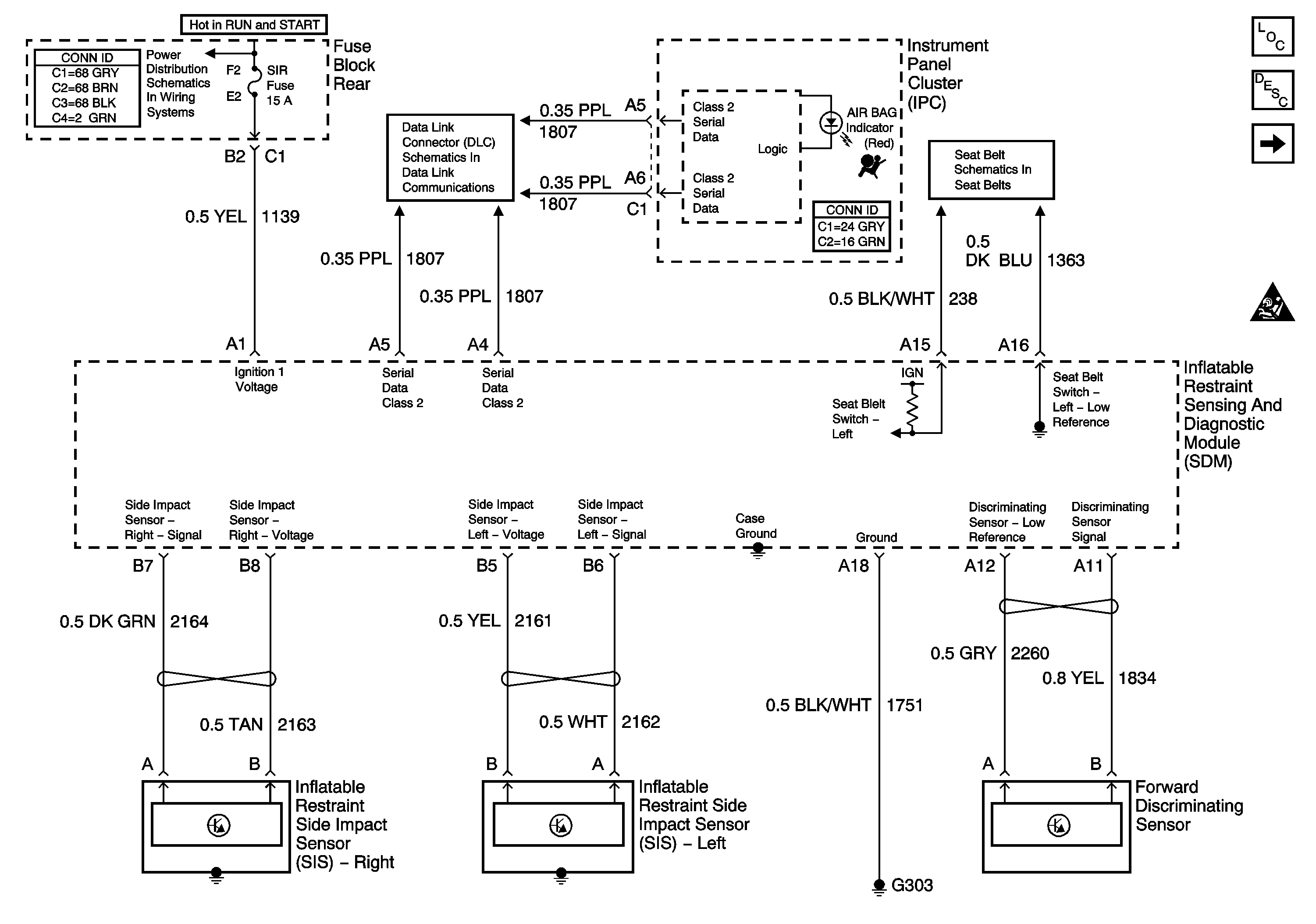
🢒 SIR Schematics
Figure
1:
Power, Ground and Side Impact Sensors
Figure
2:
SDM and Inflator Modules