GM Service Manual Online
For 1990-2009 cars only
Makes
🢒
Buick
🢒
2001
🢒
LeSabre
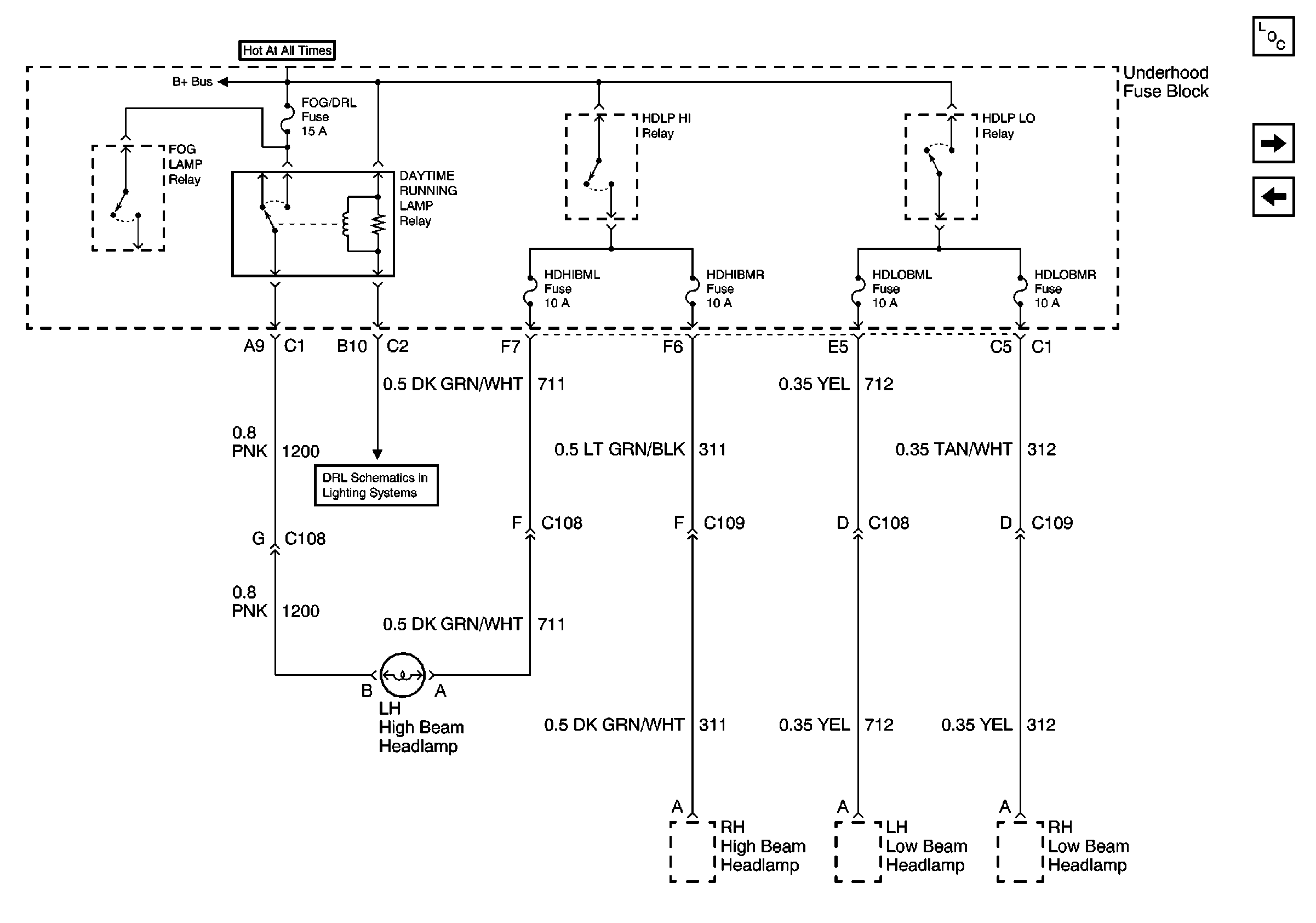
🢒 FOG/DRL Fuse, Headlamp, Fog Lamp and DRL Relays (Underhood Fuse Block)
FOG/DRL Fuse, Headlamp, Fog Lamp and DRL Relays (Underhood Fuse Block)
FOG/DRL Fuse, Headlamp, Fog Lamp and DRL Relays (Underhood Fuse Block)
Power and Grounding Components
ABS and PCM BATT Fuses (Underhood Fuse Block)
START Circuit Breaker, HORN, and A/C CLU Fuses (Underhood Fuse Block)
G103
DRL, High Beam Headlamps, Dimmer Switch