GM Service Manual Online
For 1990-2009 cars only

Removal Procedure

  1. Remove the front transmission mount bracket. Refer to Transmission Mount Bracket Replacement - Front .
  2. Raise and support the vehicle. Refer to Lifting and Jacking the Vehicle in General Information.

  3. Object Number: 667209  Size: SH
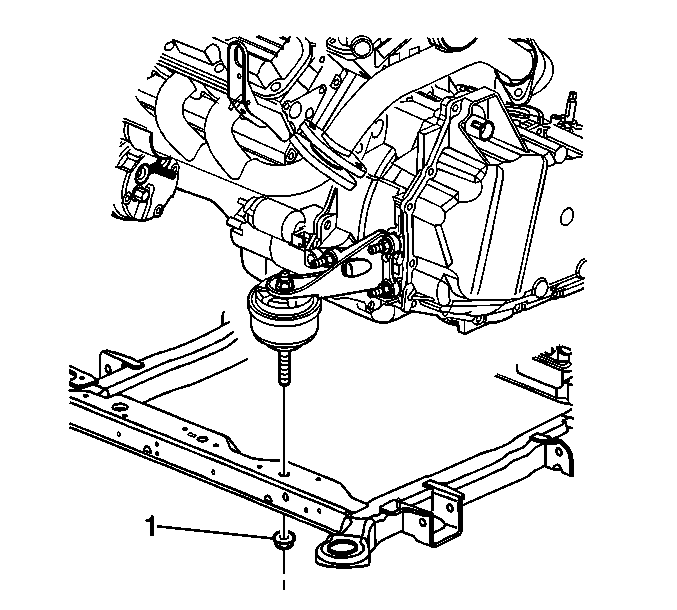
  4. Remove the nut (1) securing the front transmission mount to the frame.
  5. Lower the vehicle.
  6. Remove the front transmission mount from the vehicle.

Installation Procedure


    Object Number: 667209  Size: SH
  1. Insert the front transmission mount stud (long) through the hole in the engine frame.
  2. Raise and support the vehicle. Refer to Lifting and Jacking the Vehicle in General Information.
  3. Notice: Use the correct fastener in the correct location. Replacement fasteners must be the correct part number for that application. Fasteners requiring replacement or fasteners requiring the use of thread locking compound or sealant are identified in the service procedure. Do not use paints, lubricants, or corrosion inhibitors on fasteners or fastener joint surfaces unless specified. These coatings affect fastener torque and joint clamping force and may damage the fastener. Use the correct tightening sequence and specifications when installing fasteners in order to avoid damage to parts and systems.

  4. Install the nut (1) securing the front transmission mount to the frame.
  5. Tighten
    Tighten the front transmission mount nut to 70 N·m (52 lb ft).

  6. Lower the vehicle.
  7. Install the front transmission mount bracket. Refer to Transmission Mount Bracket Replacement - Front .