GM Service Manual Online
For 1990-2009 cars only
Makes
🢒
Buick
🢒
2002
🢒
LeSabre
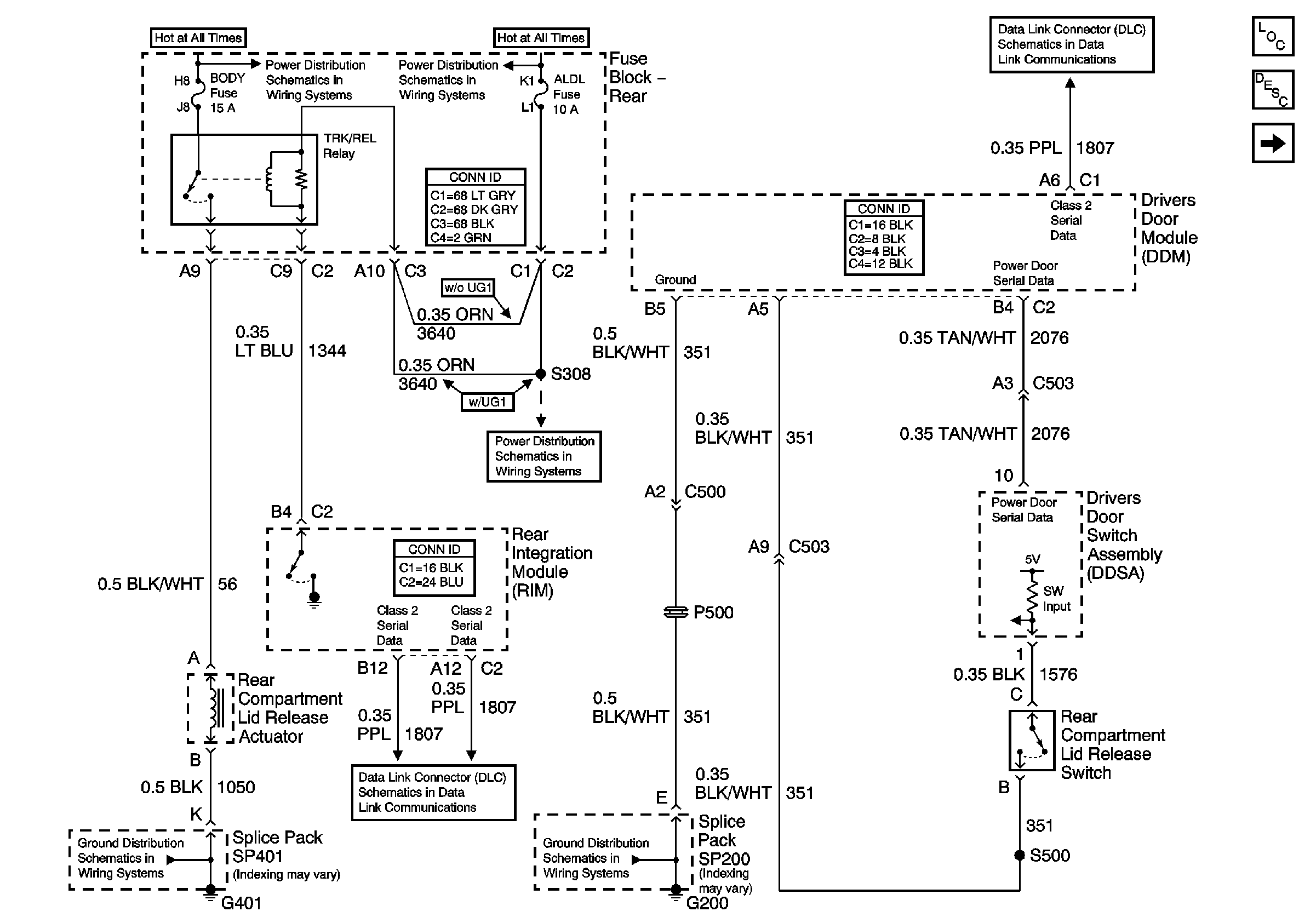
🢒 Rear Compartment Lid Release
Rear Compartment Lid Release
Rear Compartment Lid Release
Master Electrical Component List
Instrument Panel Cluster (DIC Messages)
G200 (2 of 2)
Serial Data Class 2
G401 (2 of 2)
ELC, RR DEFOG and TRK/REL Relays, RR DEFOG and ALDL Fuses (Fuse Block Rear)
Battery Feed to Rear Fuse Block
ELC, RR DEFOG and TRK/REL Relays, RR DEFOG and ALDL Fuses (Fuse Block Rear)
Serial Data Class 2