GM Service Manual Online
For 1990-2009 cars only
Makes
🢒
Buick
🢒
2002
🢒
LeSabre
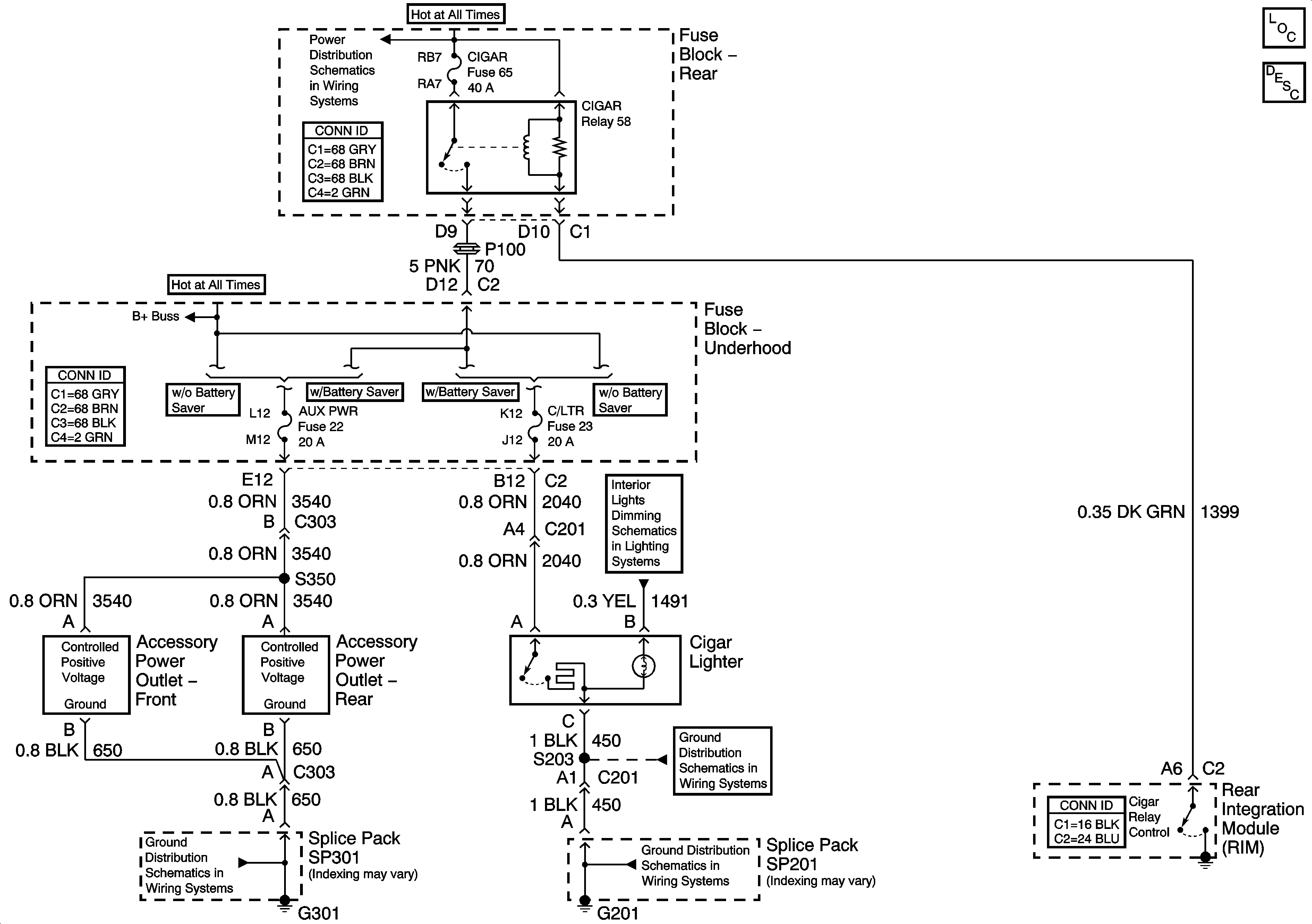
🢒 Cigar Lighter/Auxillary Outlet Schematics
Cigar Lighter/Auxillary Outlet Schematics
Master Electrical Component List
G201
G201
G301 (1 of 2)