GM Service Manual Online
For 1990-2009 cars only

Object Number: 687531  Size: FS
Master Electrical Component List
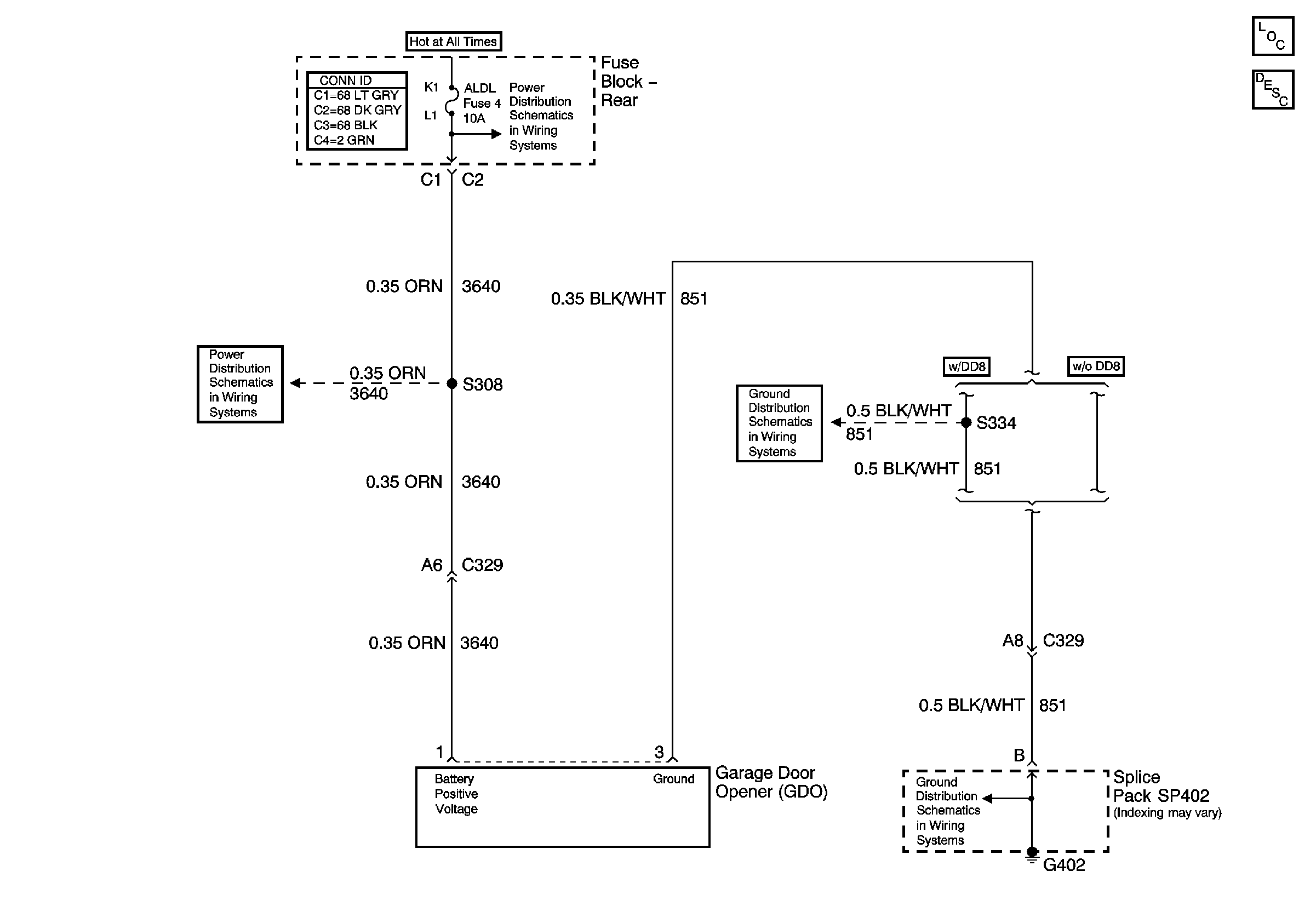
G402
ELC, RR DEFOG and TRK/REL Relays, RR DEFOG and ALDL Fuses (Fuse Block Rear)
ELC, RR DEFOG and TRK/REL Relays, RR DEFOG and ALDL Fuses (Fuse Block Rear)