GM Service Manual Online
For 1990-2009 cars only
Makes
🢒
Buick
🢒
2003
🢒
LeSabre
🢒
Body and Accessories
🢒
Body Rear End
🢒 Body Rear End Schematics
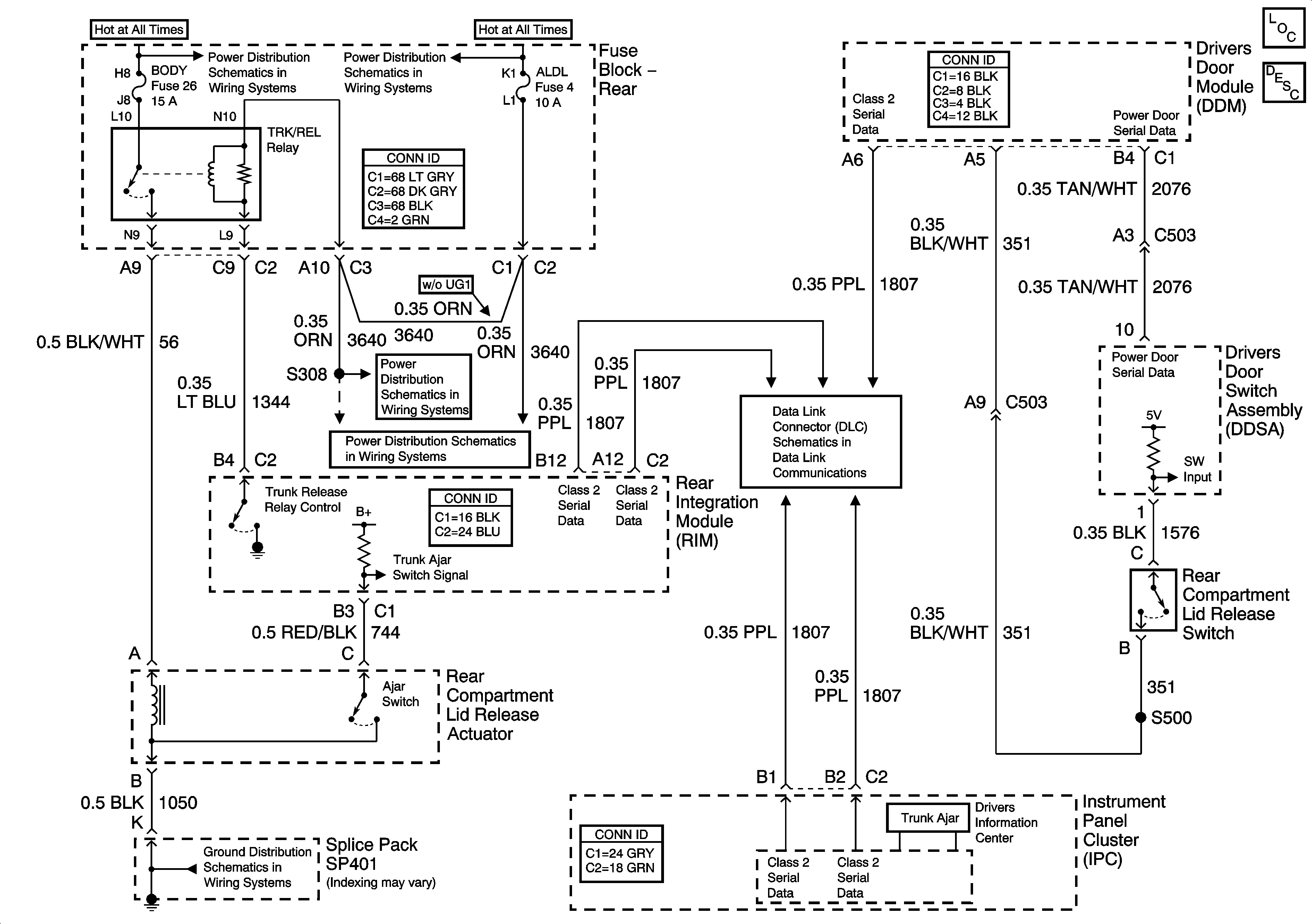
Rear Compartment Lid Release
Master Electrical Component List
Serial Data Class 2
G401 (2 of 2)
ELC, RR DEFOG and TRK/REL Relays, RR DEFOG and ALDL Fuses (Fuse Block Rear)
Battery Feed to Rear Fuse Block
ELC, RR DEFOG and TRK/REL Relays, RR DEFOG and ALDL Fuses (Fuse Block Rear)
ELC, RR DEFOG and TRK/REL Relays, RR DEFOG and ALDL Fuses (Fuse Block Rear)
Serial Data Class 2