GM Service Manual Online
For 1990-2009 cars only
Makes
🢒
Buick
🢒
2003
🢒
LeSabre
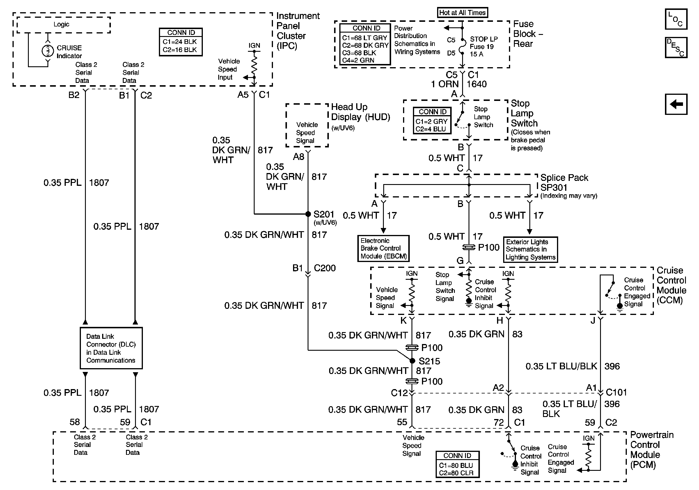
🢒 CCM, PCM Controls and Vehicle Speed Input
CCM, PCM Controls and Vehicle Speed Input
CCM, PCM Controls and Vehicle Speed Input
Master Electrical Component List
Cruise Control Switch, Cruise Control Module (CCM), Power and Grounds
Serial Data Class 2
T SIG/HAZ, STOP LP, AUDIO and CD Fuses (Fuse Block Rear)