GM Service Manual Online
For 1990-2009 cars only
Makes
🢒
Buick
🢒
2003
🢒
LeSabre
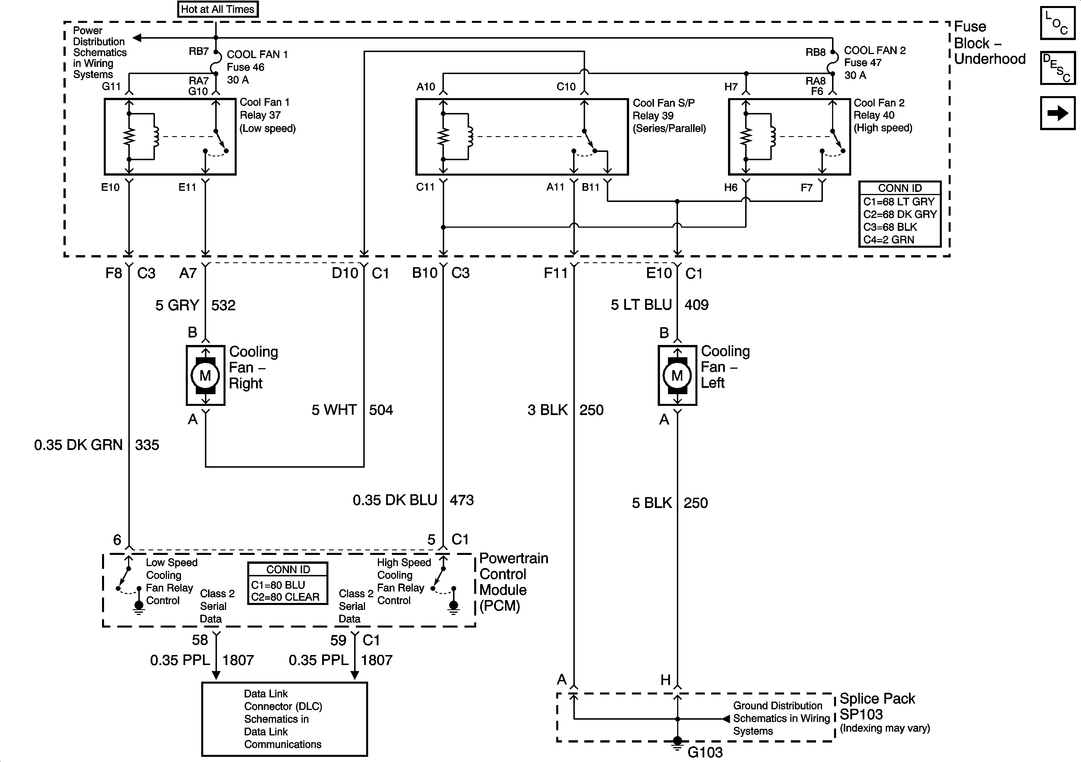
🢒 Cooling Fans and Relays
Cooling Fans and Relays
Cooling Fans And Relays
Master Electrical Component List
Instrument Panel Cluster (IPC) Displays
Battery Feed to Underhood Fuse Block
G103