GM Service Manual Online
For 1990-2009 cars only
Makes
🢒
Buick
🢒
2003
🢒
LeSabre
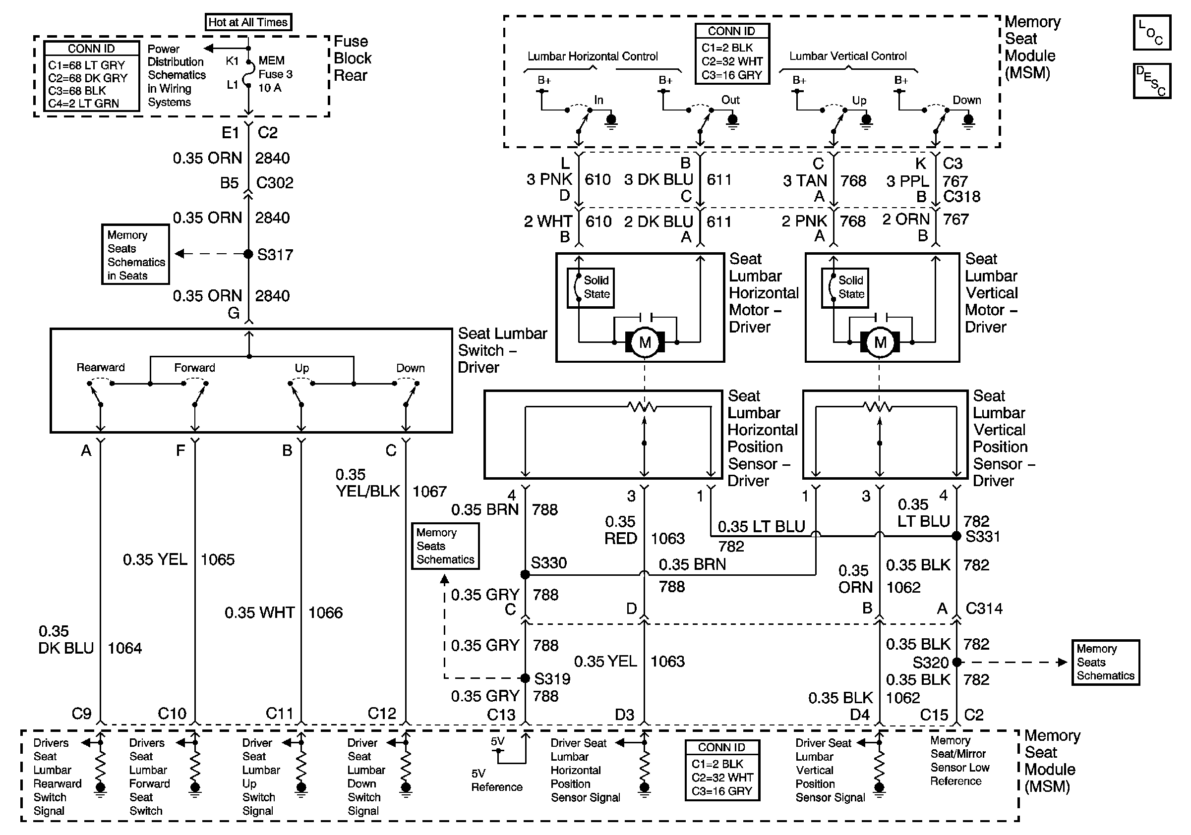
🢒 Lumbar (w/ Memory)
Lumbar (w/ Memory)
Lumbar (w/ Memory)
Master Electrical Component List
Recline Motor and Sensor
Recline Motor and Sensor
Power, Ground, Driver Seat Switch and Memory Seat Module (MSM)
HTDST RF, HTDST LF, DIM, and MEM Fuses (Fuse Block Rear)