GM Service Manual Online
For 1990-2009 cars only
Makes
🢒
Buick
🢒
2003
🢒
LeSabre
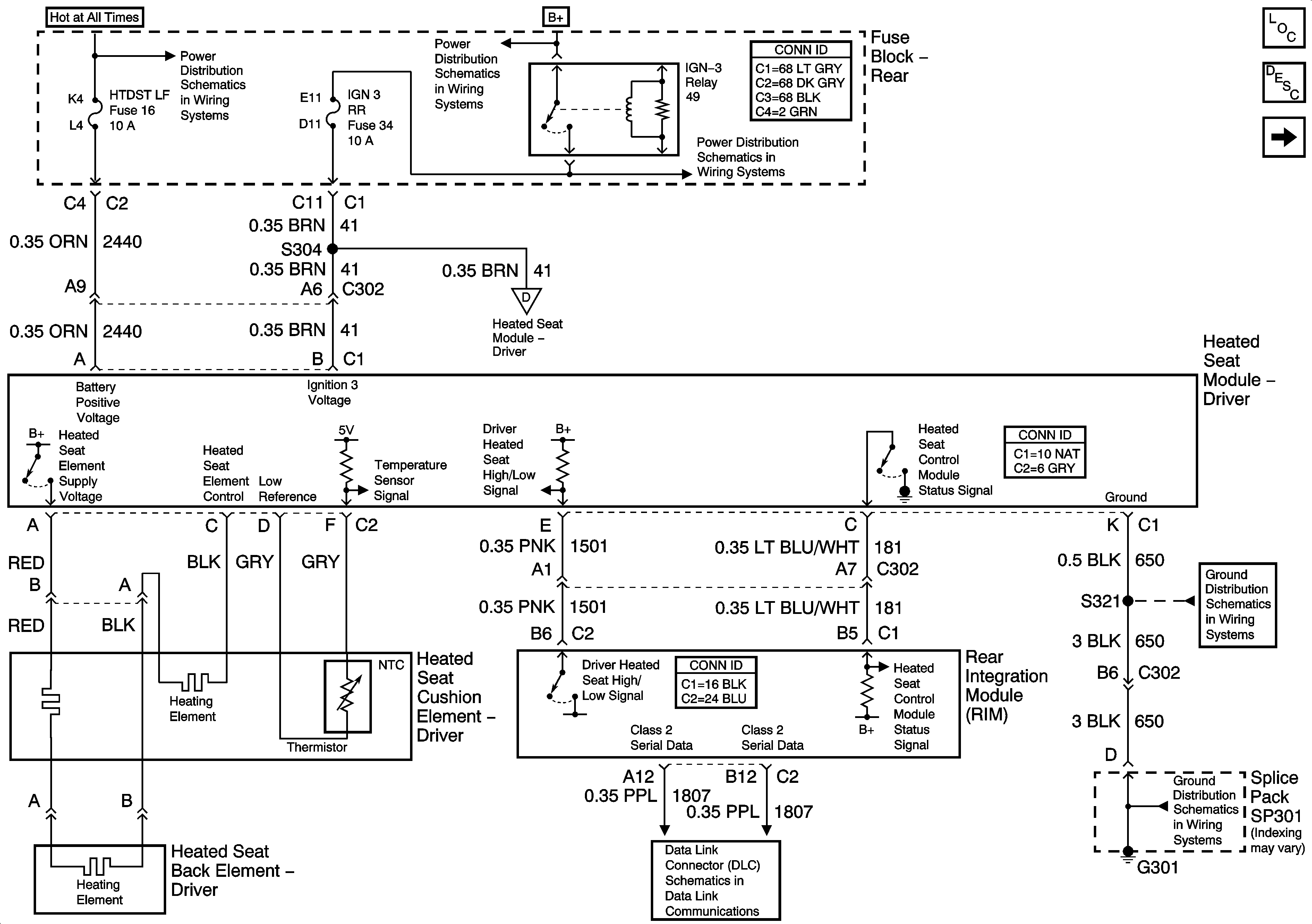
🢒 Driver Front Heated Seat Module
Driver Front Heated Seat Module
Driver Front Heated Seat Module
Master Electrical Component List
Front Passenger Front Heated Seat Module
G200 (2 of 2)
G201
Serial Data Class 2
Driver Front Heated Seat Switch
IGN-3 and ABS Fuses (Fuse Block Rear)
HTDST RF, HTDST LF, DIM, and MEM Fuses (Fuse Block Rear)