GM Service Manual Online
For 1990-2009 cars only
Makes
🢒
Buick
🢒
2003
🢒
LeSabre
🢒 Horns Schematics
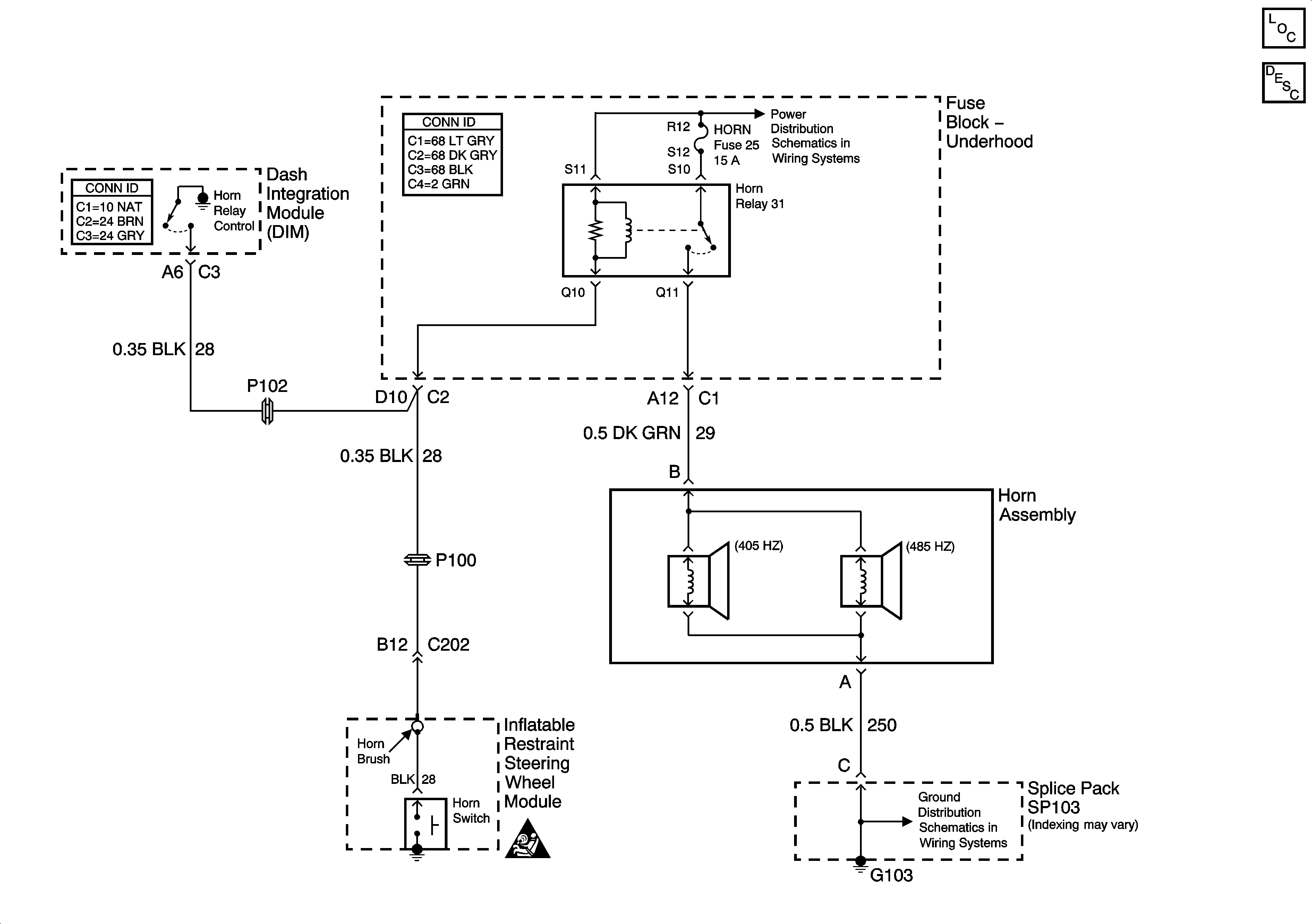
Horns Schematics
Master Electrical Component List
G103
SIR Caution for Zoning
Battery Feed to Underhood Fuse Block