GM Service Manual Online
For 1990-2009 cars only
Makes
🢒
Buick
🢒
2004
🢒
LeSabre
🢒
Transmission/Transaxle
🢒
Automatic Transaxle - 4T65-E
🢒 Automatic Transmission Controls Schematics
Figure
1:
Transmission Inputs L36
Master Electrical Component List
Transmission Component and System Description
Transmission Solenoids L36/L67
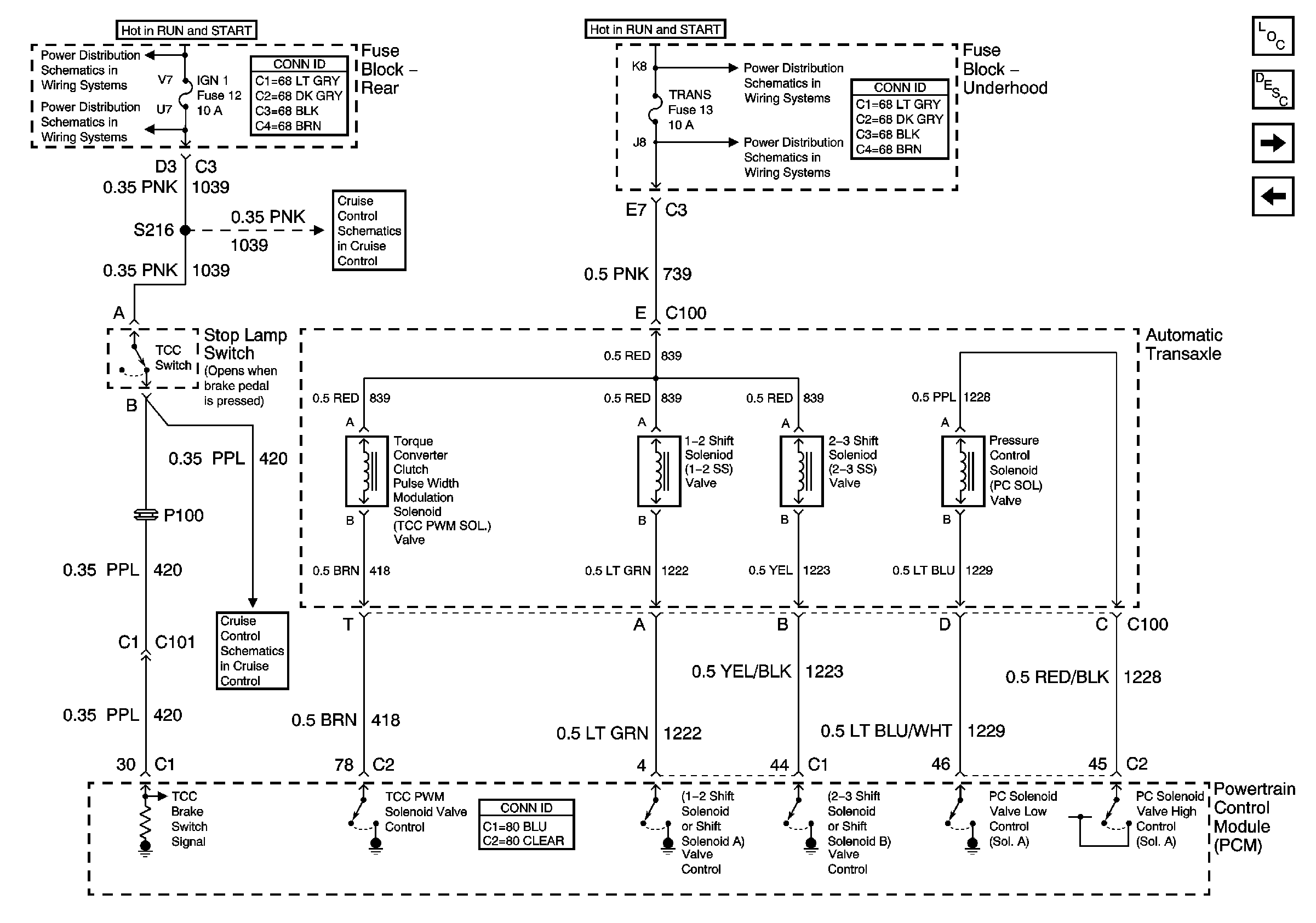
Figure
2:
Transmission Solenoids L36
Master Electrical Component List
Automatic Transmission Shift Lock Control Description and Operation
Transmission Inputs L36/L67
Cruise Control Switch, CCM Power and Grounds
Cruise Control Switch, CCM Power and Grounds
IGN-1 Relay, Transmission, DIS, OXY SEN, and IGN 1-Fuses
IGN-1 Relay, Transmission, DIS, OXY SEN, and IGN 1-Fuses
IGN-1 Relay, Transmission, DIS, OXY SEN, and IGN 1-Fuses
Figure
3:
Internal Mode Switch (IMS) Inputs
Master Electrical Component List
Automatic Transmission Shift Lock Control Description and Operation
Automatic Transmission Shift Lock Control Solenoid: Class 2
G104 and G105