GM Service Manual Online
For 1990-2009 cars only
Makes
🢒
Buick
🢒
2004
🢒
LeSabre
🢒
HVAC
🢒
HVAC Systems - Manual
🢒 HVAC Schematics
Figure
1:
Blower Control (w/C67)
Master Electrical Component List
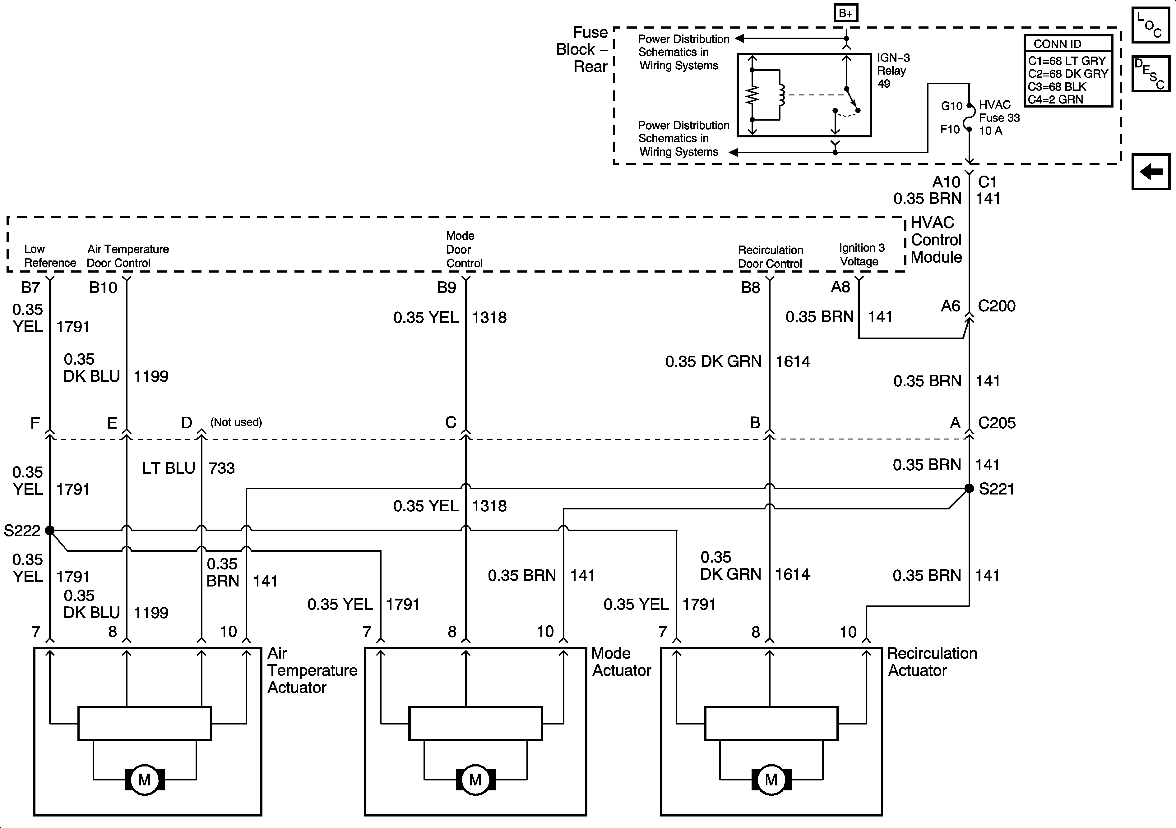
Air Delivery (w/C67)
G200 (1 of 2)
G201
G200 (1 of 2)
G200 (2 of 2)
G200 (2 of 2)
HTDST RF, HTDST LF, DIM, and MEM Fuses (Fuse Block Rear)
HVAC BLO and AUDIO Fuses, RAP and F/PMP Relays (Block Rear)
Figure
2:
A/C Compressor Control (w/C67)
Master Electrical Component List
Air Delivery (w/C67)
Blower Control (w/C67)
Serial Data Class 2
Fuel Controls - EVAP Controls
Fuel Controls - EVAP Controls
G100, and G102
Figure
3:
Air Delivery (w/C67)
Master Electrical Component List
A/C Compressor Control (w/C67)
HVAC Fuse (Block Rear)