GM Service Manual Online
For 1990-2009 cars only
Makes
🢒
Buick
🢒
2004
🢒
LeSabre
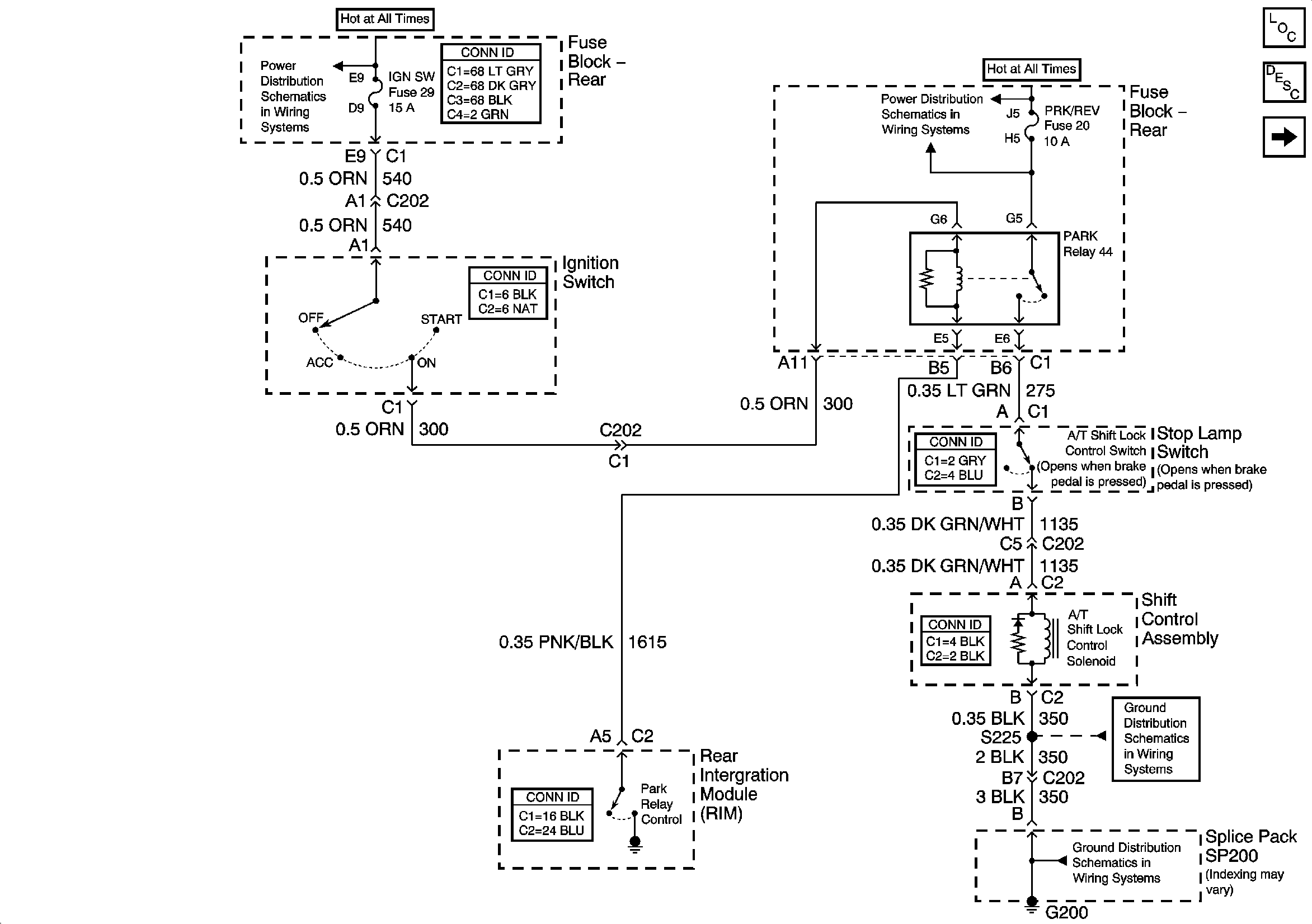
🢒 A/T Shift Lock Control Solenoid: Class 2
A/T Shift Lock Control Solenoid: Class 2
A/T Shift Lock Control Solenoid: Class 2
Master Electrical Component List
Automatic Transmission Shift Lock Control Description and Operation
Internal Mode Switch Inputs
G200 (1 of 2)
Serial Data Class 2
IGN SW and NSBU Fuses (Rear Fuse Block)
IGN SW and NSBU Fuses (Rear Fuse Block)