GM Service Manual Online
For 1990-2009 cars only
Makes
🢒
Buick
🢒
2004
🢒
LeSabre
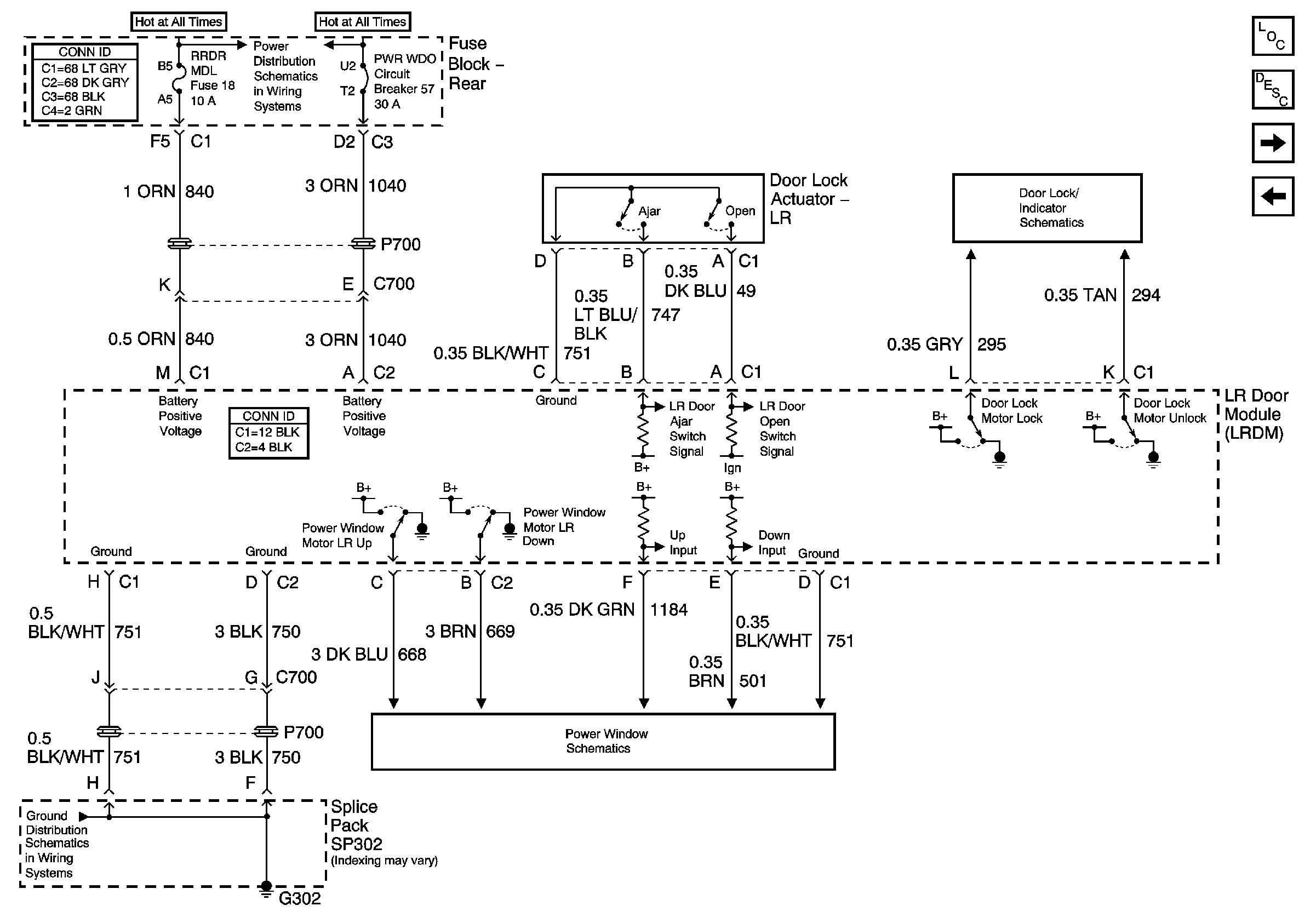
🢒 Left Rear Door Module (LRDM)
Left Rear Door Module (LRDM)
Left Rear Door Module (LRDM)
Master Electrical Component List
Right Rear Door Module (RRDM)
Front Passenger Door Module (FPDM) Inputs/Outputs
Left Rear Door and Right Rear Door
G301 (2 of 2)
HTDST RF, HTDST LF, DIM, and MEM Fuses (Fuse Block Rear)
PWR WDO and PWR SEAT Circuit Breakers (Fuse Block Rear)
Left Rear Door and Right Rear Door