GM Service Manual Online
For 1990-2009 cars only
Makes
🢒
Buick
🢒
2004
🢒
LeSabre
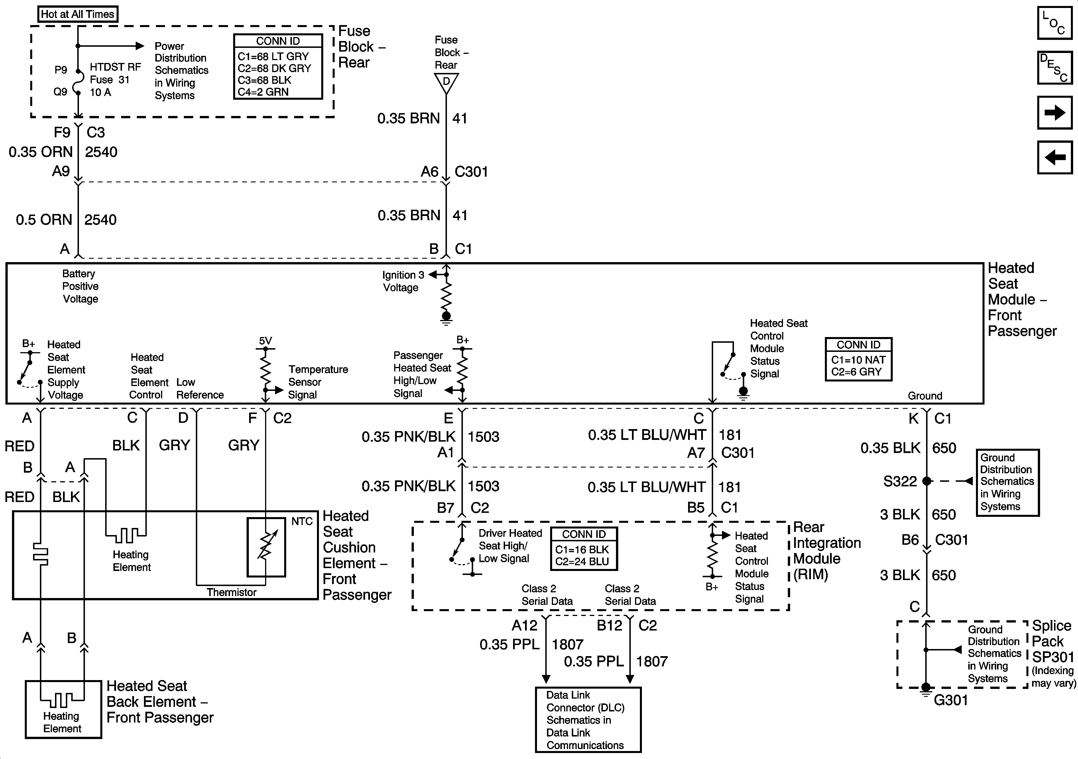
🢒 Front Passenger Front Heated Seat Module
Front Passenger Front Heated Seat Module
Front Passenger Front Heated Seat Module
Master Electrical Component List
Front Passenger Front Heated Seat Switch
Front Passenger Seat Switch and Motors (w/AG2 and w/A81)
G201
G201
Serial Data Class 2
Driver Front Heated Seat Module
HTDST RF, HTDST LF, DIM, and MEM Fuses (Fuse Block Rear)