GM Service Manual Online
For 1990-2009 cars only
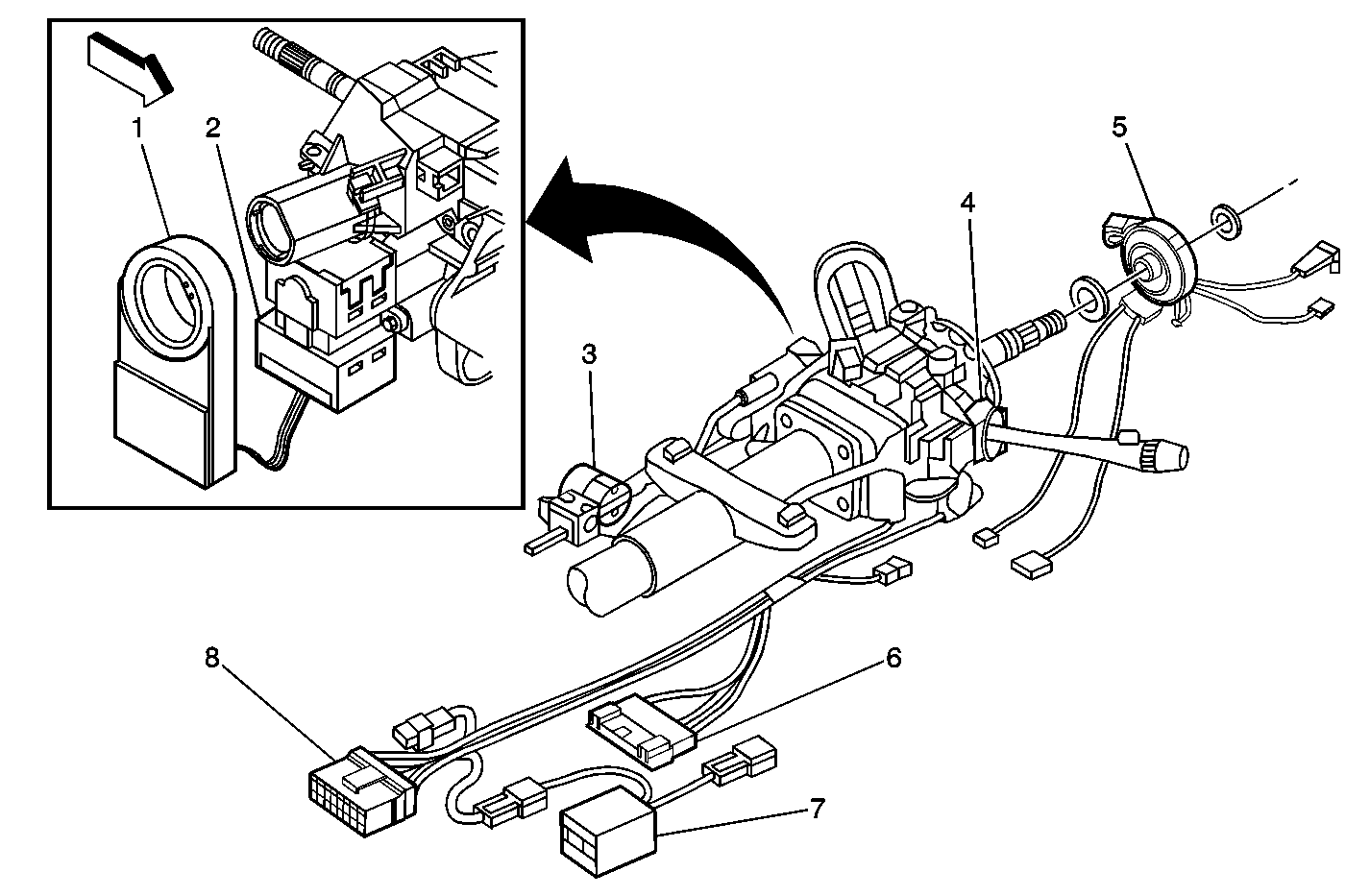
Figure 1:

Steering Column


Object Number: 741012  Size: MF
(1)Theft Deterrent Control Module
(2)Ignition Switch
(3)A/T Shift Lock Control Solenoid
(4)Turn Signal/Multifunction Switch
(5)Inflatable Restraint Steering Wheel Module Coil
(6)C201
(7)Fuse Holder - Steering Column
(8)C202
Figure 2:

Inline Connectors


Object Number: 491649  Size: MF
(1)C109
(2)C108
(3)C102
(4)Fuse Block -- Underhood C1
(5) Fuse Block -- Underhood C2
(6) Fuse Block -- Underhood C3
(7)C101
(8)C112
(9)C216
(10)C200
(11)C202
(12)C302
(13)C303
(14)C215
(15)C205
(16)C204
(17)C201
(18)C106
(19)C500
(20)C503
(21)C700
(22)C701
(23)C703
(24)C600
(25)C603
(26)C800
(27)C801
(28)C803
(29)C301
(30)C406
(31)Fuse Block -- Rear C3
(32)Fuse Block -- Rear C2
(33)Fuse Block -- Rear C1
(34)C329
(35)C401
(36)C402
(37)C420
(38)C410
(39)C405
(40)C400
Figure 3:

Harness Pass Throughs


Object Number: 596663  Size: LF
(1)P103
(2)P102
(3)P104
(4)P600
(5)P800
(6)P400
(7)P402
(8)P410
(9)P403
(10)P401
(11)P700
(12)P500
(13)P100
Figure 4:

Upper Side of Engine


Object Number: 460305  Size: LF
(1)Exhaust Gas Recirculation (EGR) Valve
(2)Fuel Injector #6
(3)Fuel Injector #4
(4)Fuel Injector #2
(5)To Generator
(6)To Air Solenoid
(7)Heated Oxygen Sensor (H02S) Bank 1 Sensor 1
(8)S103
(9)S104
(10)To PCM
(11)C100
Figure 5:

Upper Front of Engine


Object Number: 460302  Size: LF
(1)Fuel Injector 3
(2)Evaporative Emissions (EVAP) Purge Canister
(3)Fuel Injector 5
(4)Idle Air Control (IAC) Valve
(5)Throttle Position (TP) Sensor
(6)Mass Air Flow (MAF) Sensor
(7)S106
(8)Engine Coolant Temp (ECT) Sensor
(9)C103
(10)S108
(11)S107
(12)Ignition Control Module (ICM)
(13)To Manifold Absolute Pressure (MAP) Sensor
(14)Fuel Injector 1
Figure 6:

Lower Rear of Engine


Object Number: 460307  Size: LF
(1)Engine Oil Pressure Sensor
(2)Vehicle Speed Sensor (VSS)
(3)Power Steering Pressure Sensor
(4)C125
Figure 7:

Rear of the Engine, Below the Power Steering Pump


Object Number: 629391  Size: MF
(1)S101
(2)S102
Figure 8:

Left Front Corner of the Vehicle


Object Number: 596709  Size: MF
(1)C108 (Left); C109 (Right)
(2)Horn Assembly
(3)Foglamp (Left Shown, Right Similar)
(4)Forward Lamp Harness
(5)Headlamp Assembly (Left Shown, Right Similiar)
(6)Radiator
Figure 9:

Engine Compartment, in the Left Front Corner


Object Number: 460288  Size: LF
(1)Powertrain Control Module (PCM) C1
(2)Powertrain Control Module (PCM) C2
(3)Air Cleaner Assembly
(4)Powertrain Control Module (PCM)
(5)S105
Figure 10:

Engine Compartment, In the Right Front Corner


Object Number: 575865  Size: MF
(1)Body Harness
(2)Fuse Block-Underhood C2
(3)Forward Lamp Harness
(4)G103
(5)S100
(6)Fuse Block-Underhood C1
(7)C102
Figure 11:

Engine Compartment, Near the Left Shock Tower


Object Number: 461080  Size: LF
(1)Brake Fluid Level Sensor
(2)Cruise Control Module
(3)C101
(4)G106
Figure 12:

Engine Compartment, Left Rear


Object Number: 596760  Size: MF
(1)C101
(2)Brake Fluid Level Switch Connector
(3)Cruise Control Module Connector
(4)G106
(5)C106
(6)P100
(7)C112
Figure 13:

Engine Compartment, Right Rear


Object Number: 617272  Size: MF
(1)P104
(2)P100
(3)Body Harness, Leftside
(4)Battery Cable
(5)Body Harness, Right Side
(6)P102
(7)C106
Figure 14:

Passenger Compartment, Lower Left Front Corner


Object Number: 461069  Size: LF
(1)C215
(2)S215
(3)S216
(4)P100
(5)Inflatable Restraint Steering Wheel Module Coil
(6)C200
(7)C202
(8)To Stop Lamp Switches
(9)C500
(10)G200
(11)S217
(12)Park Brake Switch
Figure 15:

Passenger Compartment, In The Right Front Corner


Object Number: 745469  Size: MF
(1)Blower Motor Connector
(2)Inflatable Restraint IP Module
(3)G201
(4)C600
(5)Right Side Body Harness
(6)Dash Integration Module (DIM), C1
(7)Dash Integration Module (DIM), C2
(8)Dash Integration Module (DIM), C3
(9)P102
(10)C201
Figure 16:

Instrument Panel, Left Side Rear View


Object Number: 745467  Size: MF
(1)S205
(2)S209
(3)S210
(4)S253
(5)Instrument Panel Integration Module (IPIM)
(6)Instrument Panel Integration Module (IPIM) C2
(7)Instrument Panel Integration Module (IPIM) C1
(8)S252
(9)S251
(10)S202
(11)S203
(12)Data Link Connector (DLC)
(13)C200
Figure 17:

Instrument Panel, Right Side Rear View


Object Number: 745487  Size: MF
(1)C201
(2)S205
(3)C205
(4)C204
(5)Courtesy Lamp Connector
(6)Rear Compartment Lid Release Switch Connector
Figure 18:

Dash Panel, Right Front View


Object Number: 596721  Size: MF
(1)Radio Antenna Connector
(2)Antenna Cable
(3)C201
Figure 19:

Instrument Panel, Left Side Front View


Object Number: 745464  Size: MF
(1)Drivers Infomation Center (DIC)
(2)S203
(3)Turn Signal/Hazard Flasher Module
(4)Cigar Lighter (w/o D55)
(5)Cigar Lighter (w/ D55)
(6)Head Up Display Switch
(7)Headlamp Switch
(8)Inside Air Temperature Sensor
(9)S206
(10)Head Up Display (HUD)
(11)Instrument Panel Cluster (IPC) C1
(12)S201
(13)Instrument Panel Cluster (IPC) C2
(14)S200
(15)S208
(16)S207
(17)S204
(18)Sunload Sensor Assembly
Figure 20:

Under Right Side of Dash


Object Number: 482184  Size: MF
(1)C205 (CJ2)
(2)S222
(3)S221
(4)S220
(5)C204 (C67)
Figure 21:

Passenger Compartment, Wiring Harness Under the Carpet


Object Number: 596773  Size: LF
(1)S401
(2)S307
(3)SP306
(4)S302
(5)S305
(6)S304
(7)S303
(8)SP301
(9)C301
(10)SP310
(11)C301
(12)C303
(13)Battery
(14)S309
(15)S308
(16)Fuse Block -- Rear
Figure 22:

Under the Right Front Seat


Object Number: 596737  Size: MF
(1)Right Front Seat (Left Similiar)
(2)C301 (Right); C302 (Left)
(3)Passenger Inflatable Restraint Side Impact Inflator Module (Driver Side Similiar)
Figure 23:

LH Front Seat Back


Object Number: 492615  Size: MF
(1)Lumbar Vertical Position Sensor
(2)Lumbar Vertical Motor
(3)LH Seat Recline Motor
(4)S331
(5)S330
(6)Lumbar Horizontal Motor
(7)Lumbar Horizontal Position Sensor
Figure 24:

Front Seat Wiring


Object Number: 596681  Size: LF
(1)LH S315, RH S316
(2)LH S324, RH S322
(3)LH S321, RH S323
(4)LH C314
(5)LH C318
(6)LH S317
(7)LH S319
(8)LH S320
Figure 25:

Passenger Compartment, Under the Right Side of the Rear Seat


Object Number: 575864  Size: MF
(1)G305
(2)Body Harness, Right Side
(3)Battery
(4)C305
(5)S345 (w/UE1)
(6)Battery Positive Cable
(7)Fuse Block - Rear
Figure 26:

Passenger Compartment, Left Rear


Object Number: 596751  Size: MF
(1)C406
(2)Body Harness, Left
(3)Rear Shelf Harness
Figure 27:

Passenger Compartment, Near the Left Rear Pillar


Object Number: 596748  Size: MF
(1)Headliner Harness
(2)Left Body Harness
(3)C329
Figure 28:

Right Front Door Wiring


Object Number: 461054  Size: LF
(1)P500(LH) P600(RH)
(2)C500(LH) C600(RH)
(3)Inline To Body Harness (LH Similar)
(4)Door Harness (LH Similar)
Figure 29:

Right Front Door Module


Object Number: 461047  Size: LF
(1)RH Front Door Module (C3) (LH Similar)
(2)RH Front Door Module (C1) (LH Similar)
(3)RH Front Door Module (C2) (LH Similar)
(4)RH Front Door Module (C4) Outside Power Mirror Pigtail (LH Similar)
(5)C503 (LH) C603 (RH)
(6)RH Front Door Module (LH Similar)
(7)S500 (LH) S602 (RH)
Figure 30:

Right Rear Door (LH Similiar)


Object Number: 596742  Size: MF
(1)C800 (RH); C700 (LH)
(2)P800 (RH); P700 (LH)
(2)P800 (RH); P700 (LH)
(3)C801 (RH); C701 (LH)
Figure 31:

Right Rear Door


Object Number: 596745  Size: MF
(1)RR Door Lock Actuator; (LR Similar)
(2)RR Window Motor; (LR Similar)
(3)C803 (Right); C703 (Left)
(4)Right Rear Door Module (RRDM); (LRDM Similiar)
Figure 32:

Rear Compartment Lid Wiring


Object Number: 492956  Size: LF
(1)S412
(2)S411
(3)S413
Figure 33:

Rear Compartment, Behind the Rear Seat Back (w/UE1)


Object Number: 1575117  Size: MF
(1)Vehicle Communication Interface Mudule (VCIM)
(2)S360 and S361
(3)C345 (Body Harness to OnStar® Harness)
Figure 34:

Left Rear Corner of the Vehicle


Object Number: 596757  Size: MF
(1)P403 (Left); P402 (Right)
(2)Tail Lamp Assembly
(3)Tail Lamp Jumper Harness
(4)Body Harness
(5)C400 (Left); C402 (Right)
Figure 35:

Under the Right Rear of the Vehicle


Object Number: 596754  Size: MF
(1)P401 (Right); P400 (Left)
(2)C420 (Right Body Harness); C401 (Left Body Harness)
(3)Fuel Tank Jumper Harness
(4)Left Body Harness (Right Body Harness Similar)
(5)Automatic Level Control (ALC) Compressor