GM Service Manual Online
For 1990-2009 cars only
Makes
🢒
Buick
🢒
2005
🢒
LeSabre
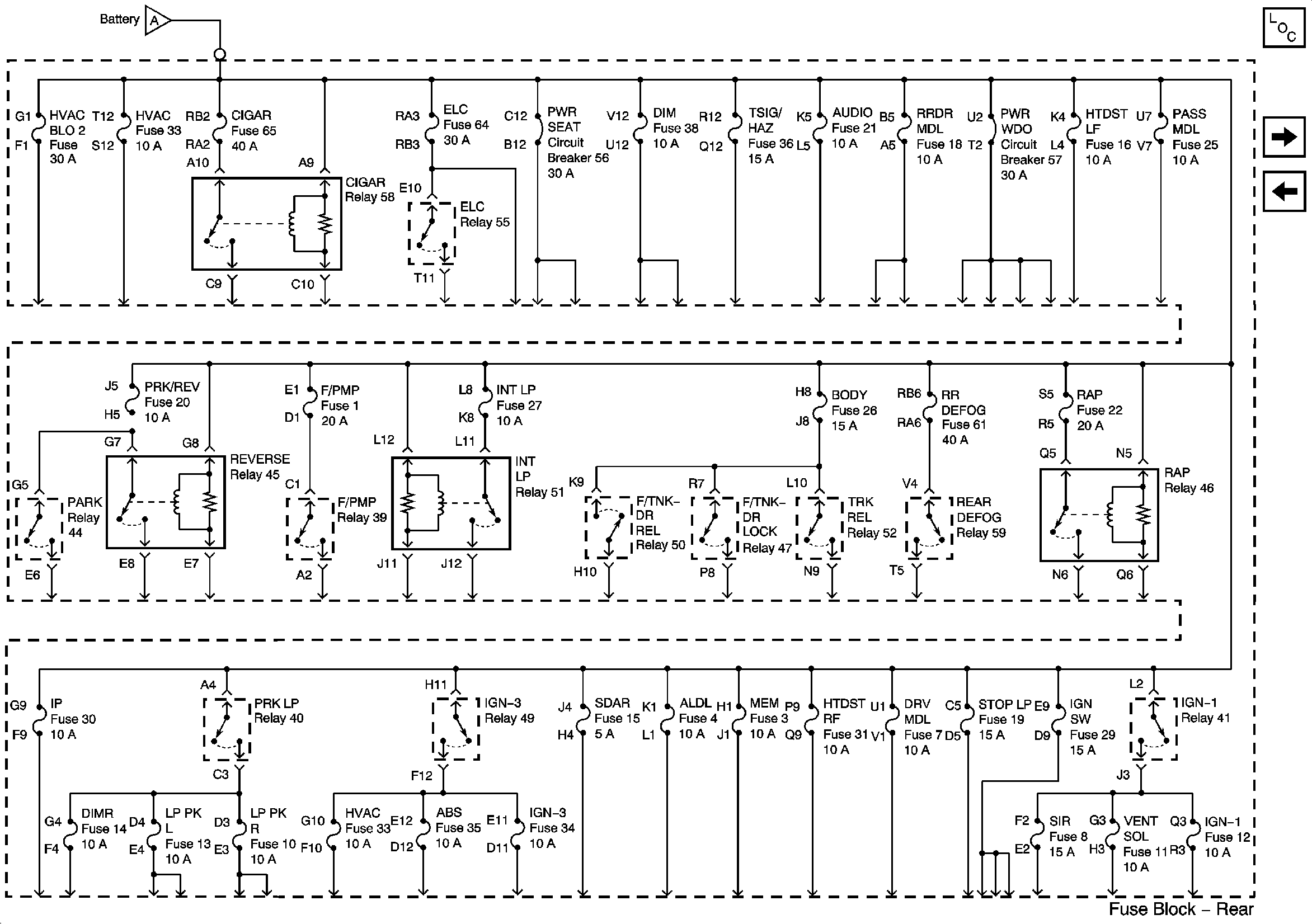
🢒 Battery Feed to Rear Fuse Block
Battery Feed to Rear Fuse Block
Battery Feed to Rear Fuse Block
Master Electrical Component List
Fuse Block Underhood - IGN 1 Relay, Transmission, DIS, OXY SEN, and IGN 1 Fuses
Battery Feed to Underhood Fuse Block
Battery Feed to Underhood Fuse Block