GM Service Manual Online
For 1990-2009 cars only
Makes
🢒
Buick
🢒
2005
🢒
LeSabre
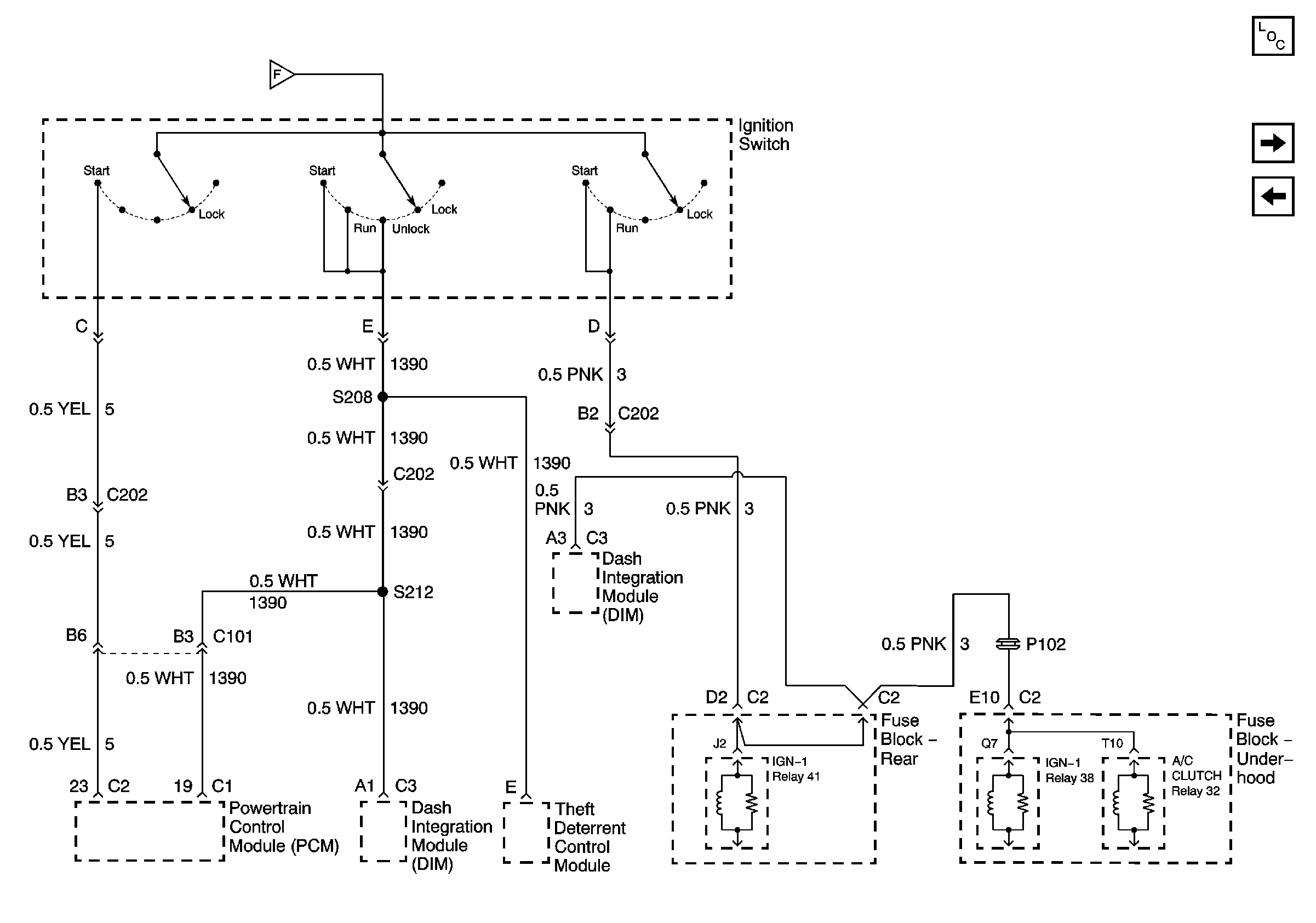
🢒 Ignition Switch - 2 of 2
Ignition Switch - 2 of 2
Ignition Switch - 2 of 2
Master Electrical Component List
Fuse Block Rear - IGN-1, VENT SOL and SIR Fuses
Ignition Switch - 1 of 2
Ignition Switch - 1 of 2