GM Service Manual Online
For 1990-2009 cars only
Makes
🢒
Buick
🢒
2005
🢒
LeSabre
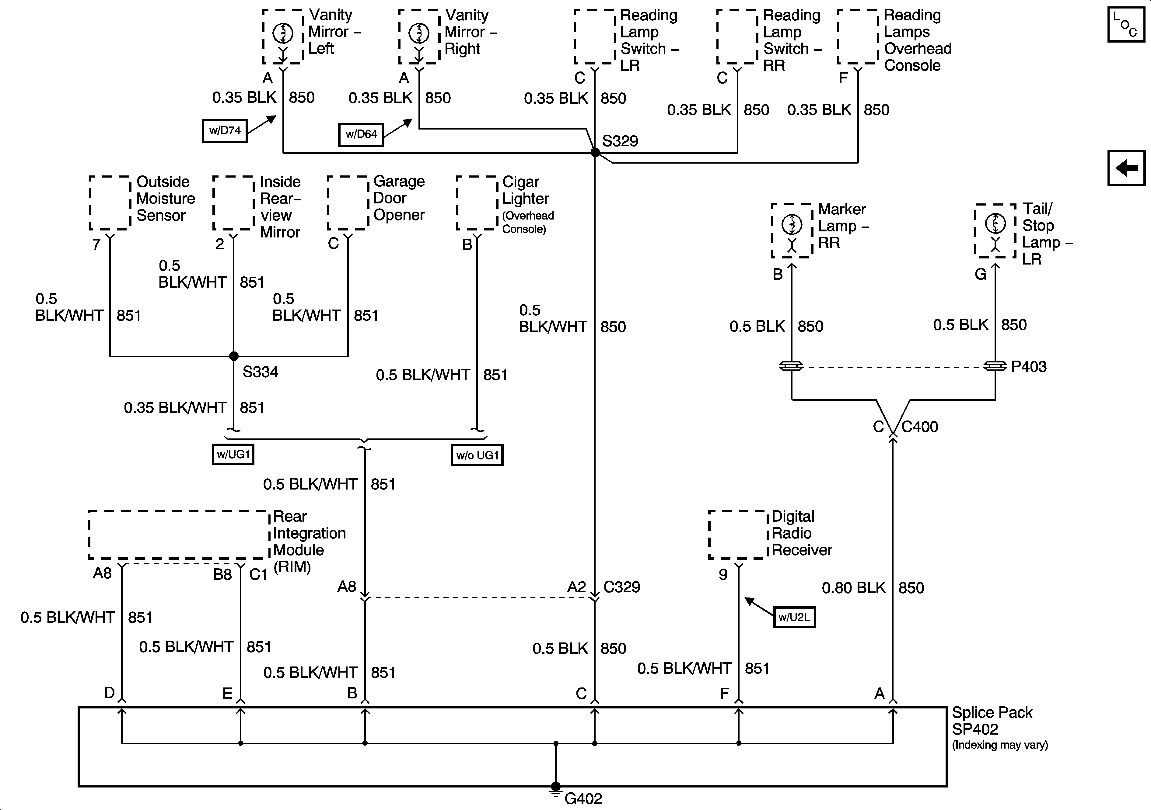
🢒 G402
G402
G402
Master Electrical Component List
G401 - 2 of 2