GM Service Manual Online
For 1990-2009 cars only
Makes
🢒
Buick
🢒
2005
🢒
LeSabre
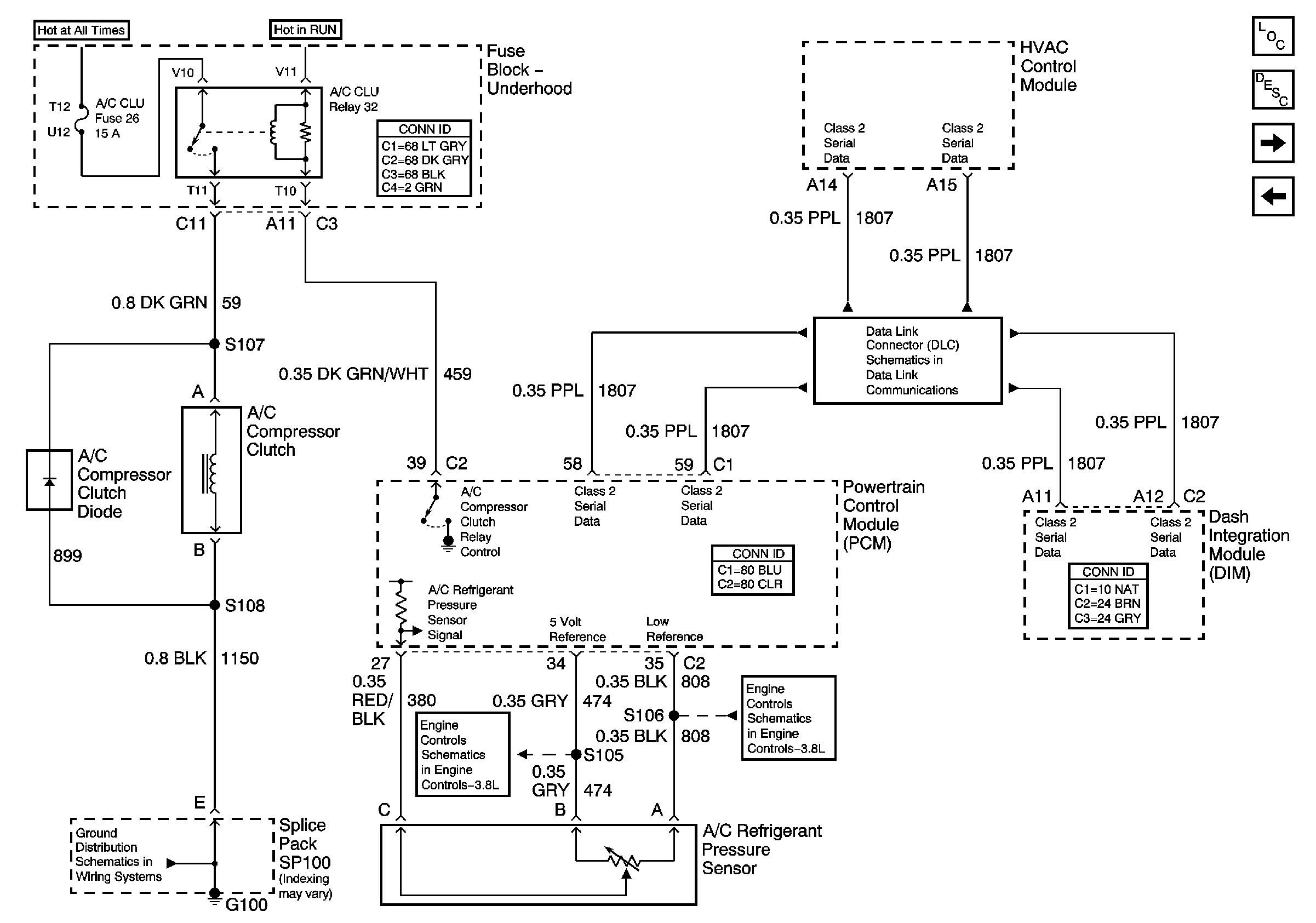
🢒 A/C Compressor Control (C67)
A/C Compressor Control (C67)
A/C Compressor Control (w/C67)
Master Electrical Component List
Air Delivery Description and Operation
Air Delivery (C67)
Blower Control (C67)
Serial Data Class 2
G100 and G102
Fuel Controls - EVAP Controls
Fuel Controls - EVAP Controls