GM Service Manual Online
For 1990-2009 cars only
Makes
🢒
Buick
🢒
2005
🢒
LeSabre
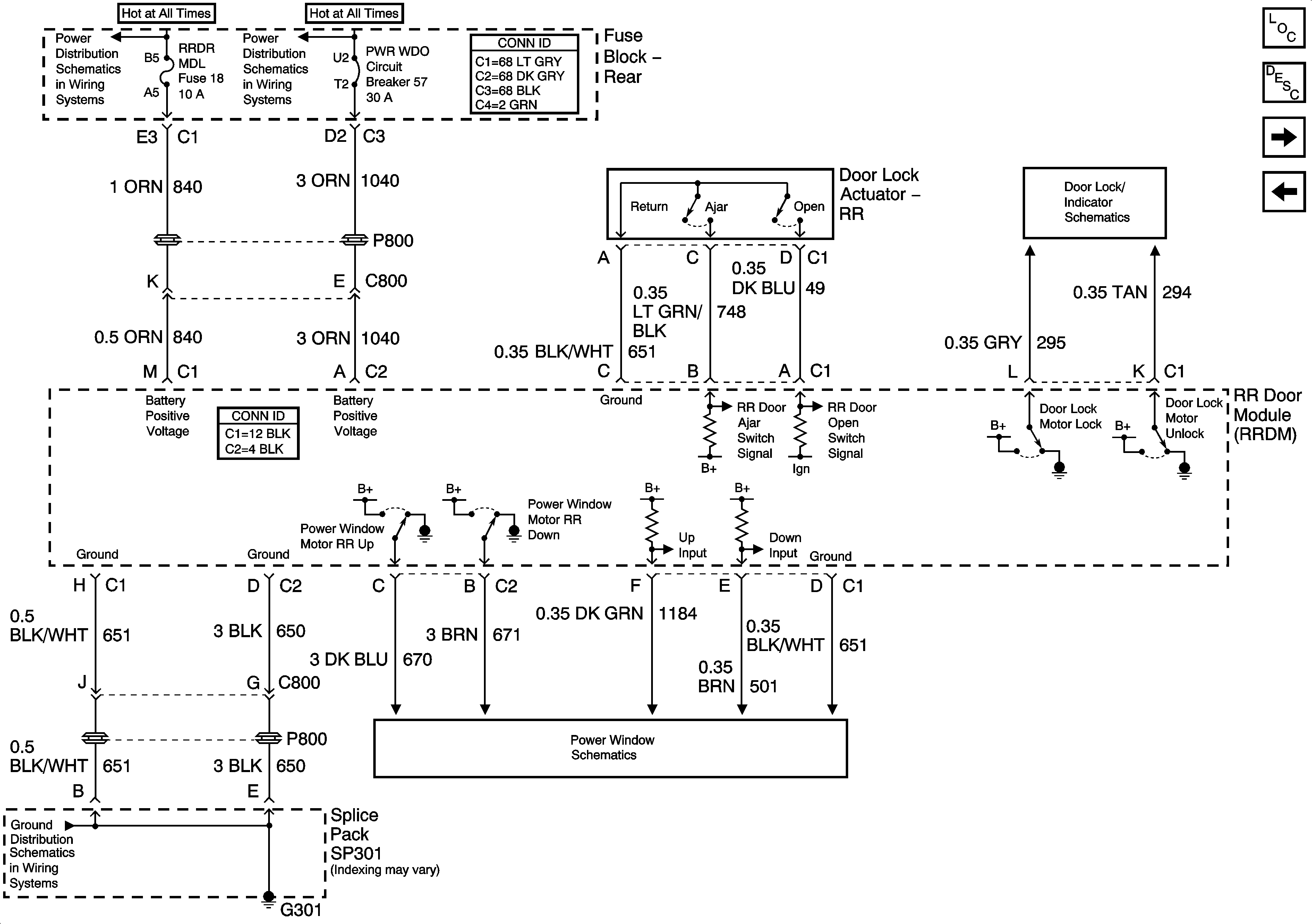
🢒 Right Rear Door Module (RRDM)
Right Rear Door Module (RRDM)
Right Rear Door Module (RRDM)
Master Electrical Component List
Power Windows Description and Operation
Driver Door Switch Assembly (DDSA)
Left Rear Door Module (LRDM)
Fuse Block Rear - HVAC BATT, DDM, FPDM and LRDM Fuses
Fuse Block Rear - PWR WDO and PWR SEAT Circuit Breakers
Left Rear Door and Right Rear Door
Left Rear Door and Right Rear Door
G301 - 2 of 2