GM Service Manual Online
For 1990-2009 cars only
Makes
🢒
Buick
🢒
2005
🢒
LeSabre
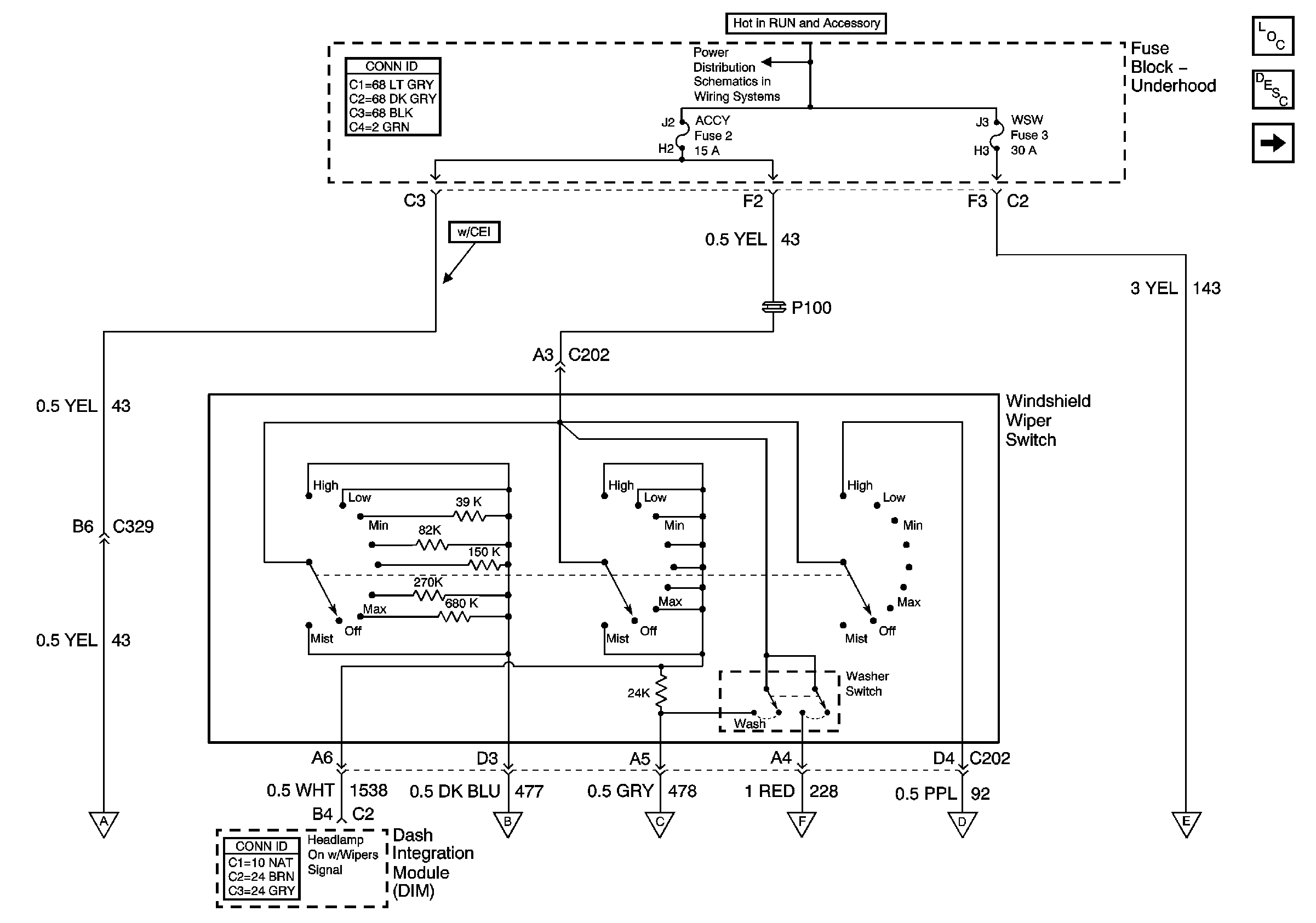
🢒 Wiper Washer Switch and Fuse
Wiper Washer Switch and Fuse
Wiper Washer Switch and Fuse
Master Electrical Component List
Wiper/Washer System Description and Operation
Wiper and Washer Motor, Outside Moiture Sensor
Fuse Block Underhood - ACCY Relays and C/LTR, AUX PWR, WSW and ACCY Fuses
Wiper and Washer Motor, Outside Moiture Sensor
Wiper and Washer Motor, Outside Moiture Sensor
Wiper and Washer Motor, Outside Moiture Sensor
Wiper and Washer Motor, Outside Moiture Sensor
Wiper and Washer Motor, Outside Moiture Sensor
Wiper and Washer Motor, Outside Moiture Sensor