GM Service Manual Online
For 1990-2009 cars only

Range Selector Lever Cable Replacement Column Shift

Removal Procedure

  1. Set the park brake and chock the wheels.

  2. Object Number: 627381  Size: SH
  3. Fully lift the retainer from the transaxle range selector cable mechanism.

  4. Object Number: 627375  Size: SH
  5. Disconnect the transaxle range selector cable terminal from the transaxle manual shift lever pin.
  6. Press the locking tabs inward in order to release the transaxle range selector cable from the bracket.
  7. Remove the left closeout/insulator panel. Refer to Instrument Panel Insulator Panel Replacement - Left Side in Instrument Panel, Gages and Console.

  8. Object Number: 161141  Size: SH
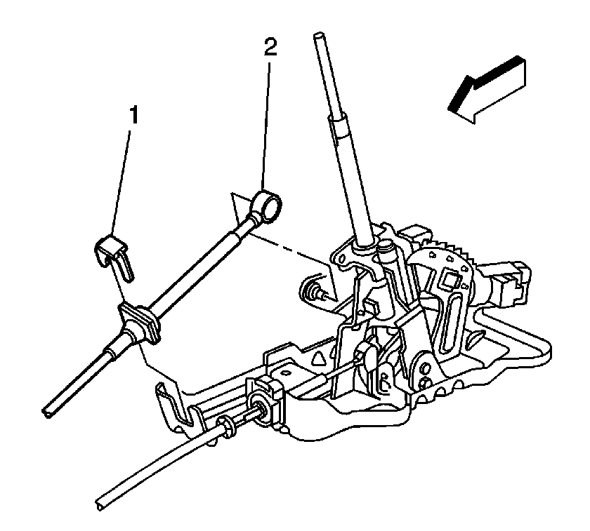
  9. Remove the retaining clip from the range selector cable.
  10. Remove the range selector cable from the column control lever.

  11. Object Number: 161140  Size: SH
  12. Remove the range selector cable from the steering column bracket.
  13. Remove the range selector cable through the hole in the cowl.

Installation Procedure


    Object Number: 161144  Size: SH
  1. Properly route the range selector cable through the engine compartment.
  2. Install the range selector cable through the cowl.

  3. Object Number: 161140  Size: SH
  4. Install the range selector cable to the steering column bracket.

  5. Object Number: 161141  Size: SH
  6. Install the retaining clip to the range selector cable.
  7. Install the range selector cable to the column control lever.
  8. Install the left IP closeput panel. Refer to Instrument Panel Insulator Panel Replacement - Left Side in Instrument Panel, Gages and Console.

  9. Object Number: 627375  Size: SH
  10. Install the transaxle range selector cable into the bracket.
  11. Connect the transaxle range selector cable terminal to the transaxle manual shift lever pin.

  12. Object Number: 627381  Size: SH
  13. Insert the retainer to the transaxle range selector cable mechanism.
  14. Adjust the range selector cable. Refer to Range Selector Lever Cable Adjustment .

Range Selector Lever Cable Replacement Console Shift

Removal Procedure

  1. Set the park brake and chock the wheels.

  2. Object Number: 599655  Size: SH
  3. Disconnect the transaxle range selector cable terminal (1) from the transaxle manual shift lever pin.
  4. Press the locking tabs inward in order to release the transaxle range selector cable (2) from the bracket.
  5. Remove the console trim plate. Refer to Front Floor Console Cup Holder Replacement .

  6. Object Number: 891290  Size: SH
  7. Disconnect the transaxle range selector cable terminal from the shift lever pin.
  8. Pull the lock release (1) and remove the transaxle range selector cable (2) from the console.

  9. Object Number: 294270  Size: SH
  10. Unplug the shift cable grommet at the cowl panel and remove the shift cable from the vehicle.

Installation Procedure


    Object Number: 294270  Size: SH
  1. Install the shift cable through the cowl panel and seat the grommet.

  2. Object Number: 891290  Size: SH
  3. Install the transaxle range selector cable (2) to the console.
  4. Install the lock release (1) to the range selector cable.
  5. Connect the transaxle range selector cable terminal to the shift lever pin.
  6. Install the console trim plate. Refer to Front Floor Console Cup Holder Replacement .

  7. Object Number: 599655  Size: SH
  8. Install the transaxle range selector cable (2) into the bracket.
  9. Connect the transaxle range selector cable terminal (1) to the transaxle manual shift lever pin.
  10. Adjust the automatic transmission range selector cable. Refer to Range Selector Lever Cable Adjustment .